Пн-Чт: с 08:00 до 17:00 <br> Пт: с 08:00 до 16:00
+375 (29) 624-09-45

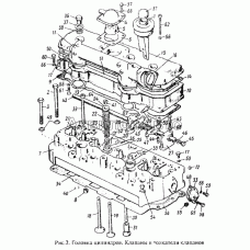
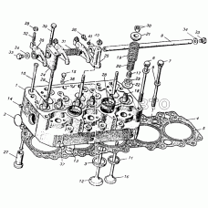
Каталог запасных частей к технике ММЗ

Выберите подкатегорию


Показано с 46 по 60 из 683 (всего 46 страниц)