Личный кабинет
Регистрация
Авторизация
Закладки (0)
Корзина
Оформление заказа
Пн-Чт: с 08:00 до 17:00 <br> Пт: с 08:00 до 16:00
+375 (29) 655-44-22
+375 (29) 624-09-45
Категории
Каталог
ГАЗ
МАЗ
ЗИЛ
Товары народного потребления
Запасные части
ПАЗ
Схемы
Показать все
О нас
Оплата
Доставка
Контакты
Каталог
Схемы
Двигатели
Каталог запасных частей к технике ММЗ
Д-245.35E4 (для МАЗ)
Д-245.35E4 (для МАЗ)
Сравнение товаров (0)
По умолчанию
Название (А - Я)
Название (Я - А)
Цена (низкая > высокая)
Цена (высокая > низкая)
Рейтинг (начиная с высокого)
Рейтинг (начиная с низкого)
Модель (А - Я)
Модель (Я - А)
15
25
50
75
100
Закрытая система вентиляции картера.
Кривошипно-шатунный механизм. Установка шкива коленчатого вала. Установка муфты сцепления.
Маслопроводы турбокомпрессора.
Охладитель рециркуляции отработавших газов.
Распределительный механизм.
Топливные трубопроводы и установка топливной аппаратуры.
Топливный насос. Редуктор.
Установка вентилятора.
Установка водяного насоса.
Установка генератора.
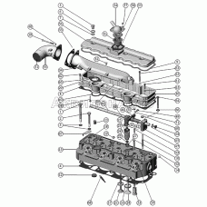
Установка головки цилиндров и впускного тракта. Клапаны и толкатели клапанов.
Установка компрессора.
Установка корпуса термостата.
Установка кронштейнов блока управления.
Установка масляного картера.
1
2
>
>|
Показано с 1 по 15 из 22 (всего 2 страниц)