| № | Номер детали | Наименование детали | |
|---|---|---|---|
| 240-1003012-А1-02 | Головка цилиндров (240-1003013-А2-02, 18-20,22-26,41) | ||
| 240-1003013-А2-02 (-08) | Головка цилиндров (7, 8, 12, 21, 33, 35, 40, 52) | ||
| 240-1003030-15 | Крышка головки цилиндров | ||
| 240-1007151-Б | Стойка оси коромысел крайняя |
Стойка оси коромысел крайняя
|
|
| 240-1007152-Б | Стойка оси коромысел средняя |
Стойка оси коромысел средняя
|
|
| 242-3707220-А | Бачок с пробкой (1, 32) | ||
| 50-1007170-Б | Винт регулировочный с гайкой | ||
| 1 | 242-3707140-А-01 | Бачок | |
| 2 | 240-1002047 | Болт |
Болт
|
| 3 | 240-1002047-01 | Болт | |
| 4 | 240-1002430-В | Корпус сапуна | |
| 5 | 240-1002440 | Фильтр |
Фильтр
|
| 6 | 240-1002444-А | Прокладка | |
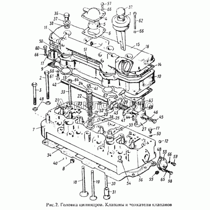
| 7 | 240-1003015-А1-02 | Головка цилиндров | |
| 8 | 240-1003029 | Втулка |
Втулка
|
| 9 | 240-1003031 | Прокладка | |
| 10 | 240-1003032-А-02 | Крышка головки цилиндров | |
| 11 | 240-1003033-08 | Коллектор | |
| 12 | 240-1003037 | Заглушка |
Заглушка
|
| 13 | 240-1003108 | Прокладка крышки | |
| 14 | 240-1003109 | Прокладка колпака | |
| 15 | 240-1003122-Б-02 | Колпак | |
| 16 | 240-1003264-А | Прокладка | |
| 17 | 240-1003281 | Пробка |
Пробка
|
| 18 | 240-10070 14-Б4 | Клапан впускной | |
| 19 | 240-1007015-Б6 | Клапан выпускной | |
| 20 | 240-1007020 | Манжета уплотнительная клапана |
Манжета уплотнительная клапана
|
| 21 | 240-1007032-Б-01 | Втулка направляющая клапана | |
| 22 | 240-1007045-А1 | Пружина клапана наружная | |
| 23 | 240-1007046-А1 | Пружина клапана внутренняя |
Пружина клапана внутренняя
|
| 24 | 240-1007048 | Тарелка пружин клапана |
Тарелка пружин клапана
|
| 25 | 240-1007054 | Шайба пружины клапана нижняя |
Шайба пружины клапана нижняя
|
| 26 | 240-1007055 | Шайба пружины клапана верхняя |
Шайба пружины клапана верхняя
|
| 27 | 240-1007151-Б-01 | Стойка оси коромысел крайняя | |
| 28 | 240-1007152-Б-01 | Стойка оси коромысел средняя |
Стойка оси коромысел средняя
|
| 29 | 240-1007185 | Фиксатор оси коромысел |
Фиксатор оси коромысел
|
| 30 | 240-1007310 | Штанга | |
| 31 | 240-1007375 | Толкатель |
Толкатель
|
| 32 | 240-3707200-01 | Пробка | |
| 33 | 70-8115022-А | Патрубок | |
| 34 | 50-1003020-А2-01 | Прокладка головки | |
| 35 | 50-1003103-А | Стакан | |
| 36 | 50-1003104-А | Гайка колпака |
Гайка колпака
|
| 37 | 50-1003106 | Шайба |
Шайба
|
| 38 | 50-1003107-А-01 | Кольцо | |
| 39 | 50-1003112 | Шпилька стойки | |
| 40 | 50-1003117-А | Заглушка | |
| 41 | 50-1007053-А1 | Сухарь клапана | |
| 42 | 50-1007 102-А | Ось | |
| 43 | 50-1007103-А | Пружина оси коромысел |
Пружина оси коромысел
|
| 44 | 50-1007175-Б1 | Винт регулировочный |
Винт регулировочный
|
| 45 | 50-1007182 | Пробка оси коромысел |
Пробка оси коромысел
|
| 46 | 50-1007183 | Шайба пробки |
Шайба пробки
|
| 47 | 50-1007212-А3 | Коромысло клапана со втулками | |
| 48 | 50-1015598 | Прокладка | |
| 49 | 48-1002318 | Шайба |
Шайба
|
| 50 | 36-1104788 | Кольцо | |
| 51 | 2,5х10 | Штифт | |
| 52 | Д02-003-А | Заглушка |
Заглушка
|
| 53 | Д02-063 | Гайка |
Гайка
|
| 54 | КГ3/8"А12.019 | Пробка | |
| 55 | 2КГ3/8"А12.019 | Пробка | |
| 56 | Ф-4.118,3 | Кольцо | |
| 57 | М8-6gх16.88.35.019 | Болт | |
| 58 | М8-6gч20.88.35.019 | Болт | |
| 59 | М8-6gх25.88.35.019 | Болт | |
| 60 | М8-6gх30.88.35.019 | Болт | |
| 61 | М8-6gх35.88.35.019 | Болт | |
| 62 | М8-6gх80.88.35.019 | Болт | |
| 63 | М12-6gх85.88.35 | Болт | |
| 64 | М12.6Н.6 | Гайка | |
| 65 | 8.01.08кп.019 | Шайба | |
| 66 | 8.65Г.06 | Шайба | |
| 67 | 10.65Г.06 | Шайба | |
| 68 | 12.01.08кп.019 | Шайба | |


