Личный кабинет
Регистрация
Авторизация
Закладки (0)
Корзина
Оформление заказа
Пн-Чт: с 08:00 до 17:00 <br> Пт: с 08:00 до 16:00
+375 (29) 655-44-22
+375 (29) 624-09-45
Категории
Каталог
ГАЗ
МАЗ
ЗИЛ
Товары народного потребления
Запасные части
ПАЗ
Схемы
Показать все
О нас
Оплата
Доставка
Контакты
Каталог
Схемы
Двигатели
Каталог запасных частей к технике ГАЗ
ГАЗ-560
ГАЗ-560
Сравнение товаров (0)
По умолчанию
Название (А - Я)
Название (Я - А)
Цена (низкая > высокая)
Цена (высокая > низкая)
Рейтинг (начиная с высокого)
Рейтинг (начиная с низкого)
Модель (А - Я)
Модель (Я - А)
15
25
50
75
100
Бак топливный, топливоприемник
Батарея аккумуляторная, включатель батареи, блок предохранителей
Батарея аккумуляторная, выключатель батареи, блок предохранителей
Блок управления двигателем, реле, предохранители, датчик температуры воздуха, жгуты и провода системы управления двигателем
Блок управления двигателем, реле, предохранители, жгуты и провода системы управления двигателем
Блок цилиндров и картер двигателя, корпус распределительного вала, крышка маслоналивного отверстия, штифтовые запальные свечи
Блок цилиндров, картер двигателя, корпус распределительного вала, крышка маслосливного отверстия, штифтовые запальные свечи
Вал коленчатый, поршни и шатуны двигателя, кольцо опорное заднее
Вал коленчатый, поршни и шатуны двигателя, кольцо опорное заднее
Вал распределительный, ось коромысел, насос-форсунки и клапаны двигателя, сервомагнит с датчиком положения рейки и датчик числа оборотов системы управления двигателем
Вал распределительный, ось коромысел, насос-форсунки и клапаны, сервомагнит с датчиком положения рейки и датчик числа оборотов системы управления двигателем
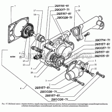
Вентилятор с муфтой, опора вентилятора
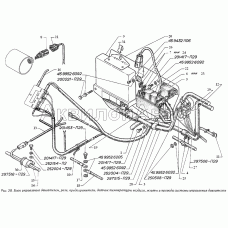
Водяной насос с термостатом, труба впускная водяного насоса, датчик указателя температуры охлаждающей жидкости и датчик температуры охлаждающей жидкости системы управления двигателем
Генератор с вакуумным насосом, насос рулевого гидроусилителя, привод навесных агрегатов
Генератор с вакуумным насосом, насос рулевого гидроусилителя, привод навесных агрегатов
1
2
3
4
5
>
>|
Показано с 1 по 15 из 65 (всего 5 страниц)