Личный кабинет
Регистрация
Авторизация
Закладки (0)
Корзина
Оформление заказа
Пн-Чт: с 08:00 до 17:00 <br> Пт: с 08:00 до 16:00
+375 (29) 655-44-22
+375 (29) 624-09-45
Категории
Каталог
ГАЗ
МАЗ
ЗИЛ
Товары народного потребления
Запасные части
ПАЗ
Схемы
Показать все
О нас
Оплата
Доставка
Контакты
Схемы
Схемы
Выберите подкатегорию
Грузовые автомобили
Двигатели
Сравнение товаров (0)
По умолчанию
Название (А - Я)
Название (Я - А)
Цена (низкая > высокая)
Цена (высокая > низкая)
Рейтинг (начиная с высокого)
Рейтинг (начиная с низкого)
Модель (А - Я)
Модель (Я - А)
15
25
50
75
100
Картер и масляный насос коробки передач
Картер и масляный насос коробки передач двигателя ЯМЗ-236
Картер и масляный насос коробки передач двигателя ЯМЗ-238
Картер и масляный насос коробки передач ЯМЗ-236Н
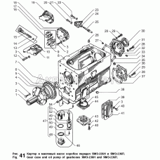
Картер и масляный насос коробок передач ЯМЗ-236Н и ЯМЗ-236П
Картер и масляный насос коробок передач ЯМЗ-236П и ЯМЗ-236Н
Картер и масляный насос коробок передач ЯМЗ-238А, ЯМЗ-238Б и ЯМЗ-238Н
Картер и масляный насос коробок передач ЯМЗ-238М4, ЯМЗ-238К4
Картер и масляный насос коробок передач ЯМЗ238А, ЯМЗ-238Б
Картер и передняя крышка распределительный зубчатых колес СМД-14НГ,-14БН,-15Н,-19,-20
Картер коробки передач
Картер коробки передач
Картер коробки передач
Картер коробки передач
Картер коробки передач
|<
<
98
99
100
101
102
103
104
105
106
>
>|
Показано с 1516 по 1530 из 5417 (всего 362 страниц)