- Модель: ЯМЗ-6581.10 (Евро 3)
- Цены и наличие уточняйте по телефонам
- +375 (29) 655-44-22
- +375 (29) 624-09-45
| № | Номер детали | Наименование детали | |
|---|---|---|---|
| 239.1700045-22 | Коробка передач с демультипликатором и деталями выключения сцепления в сборе | ||
| 2391.1700025-20 | Коробка передач с транспортными деталями в сборе | ||
| 2391.1700045-20 | Коробка передач с демультипликатором и деталями выключения сцепления в сборе | ||
| 336.1701040-10 | Крышка подшипника первичного вала в сборе | ||
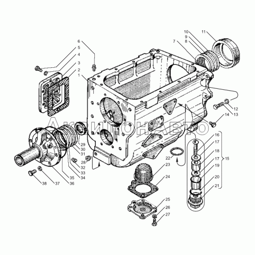
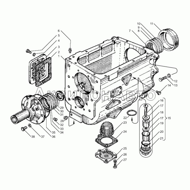
| 3 | 236-1701020 | Крышка люка отбора мощности | |
| 4 | 252006-П2 | Шайба | |
| 5 | 45 9348 1559 | Болт | |
| 6 | 236-1702182 | Штифт верхний установочный | |
| 7 | 336.1701193 | Прокладка регулировочная толщ. 2-2,5 мм |
Прокладка регулировочная толщ. 2-2,5 мм
|
| 8 | 336.1701193-01 | Прокладка регулировочная толщ. 2,5-3 мм | |
| 9 | 336.1701193-02 | Прокладка регулировочная толщ. 3-3,5 мм |
Прокладка регулировочная толщ. 3-3,5 мм
|
| 10 | 336.1701193-03 | Прокладка регулировочная толщ. 3,5-4 мм |
Прокладка регулировочная толщ. 3,5-4 мм
|
| 11 | 239.1701458-10 | Гнездо подшипника | |
| 12 | 252139-П2 | Шайба пружинная | |
| 13 | 310012-П2 | Болт | |
| 14 | 316120-П29 | Пробка | |
| 15 | 238-1721255 | Пробка сливного отверстия с магнитом в сборе | |
| 15 | 238-1721255-01 | Пробка сливного отверстия с магнитом в сборе | |
| 16 | 220116-П2 | Винт | |
| 17 | 312480-П2 | Шайба | |
| 18 | 34 9841 3023 | Магнит ФЭ 7.770.055 | |
| 19 | 236-1704128 | Кожух магнита | |
| 20 | 236-1704130 | Кольцо пружинное | |
| 21 | 238-1721258 | Пробка | |
| 22 | 312669-П | Прокладка пробки сливного отверстия | |
| 23 | 336.1704049 | Сетка заборника | |
| 24 | 236-1704056-A | Прокладка | |
| 25 | 236-1704054-Б | Крышка заборника | |
| 26 | 252136-П2 | Шайба 10 пружинная |
Шайба 10 пружинная
|
| 27 | 4593461559 | Болт | |
| 28 | 316135-П2 | Пробка | |
| 29 | 201-1701230 | Манжета в сборе |
Манжета в сборе
|
| 30 | 239.1701035 | Прокладка регулировочная толщ. 2-2,45 мм |
Прокладка регулировочная толщ. 2-2,45 мм
|
| 31 | 239.1701035-01 | Прокладка регулировочная толщ. 2,25-2,9 мм | |
| 32 | 316198-П29 | Пробка | |
| 33 | 239.1701035-02 | Прокладка регулировочная толщ. 2,9-3,35 мм | |
| 34 | 239.1701035-03 | Прокладка регулировочная толщ. 3,35-3,85 мм | |
| 35 | 336.1701534 | Кольцо уплотнительное |
Кольцо уплотнительное
|
| 36 | 336.1701041-10 | Крышка подшипника | |
| 37 | 200-1701041 | Шайба | |
| 38 | 4593486561 | Болт | |

