| № | Номер детали | Наименование детали | |
|---|---|---|---|
| 200-1601021 | Втулка масляного насоса | ||
| 236-1704010 | Насос масляный в сборе | ||
| 236-1704025 | Ось ведомой шестерни | ||
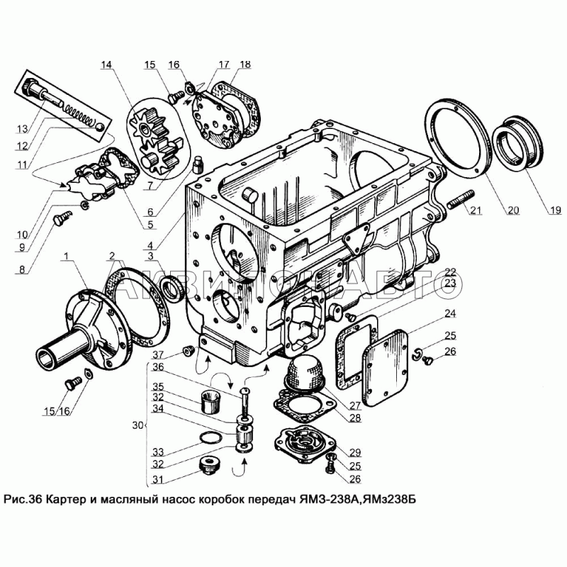
| 1 | 236-1701040-А | Крышка подшипника первичного вала | |
| 2 | 236-1701042-А | Прокладка крышки | |
| 3 | 236-1701230 | Манжета с пружиной в сборе | |
| 4 | 238-1701015 | Картер коробки передач | |
| 5 | 236-1704029-А | Прокладка | |
| 6 | 236-1702182 | Штифт верхний установочный | |
| 7 | 236-1704040-А2 | Шестерня ведущая в сборе | |
| 8 | 310013-П29 | Болт М10х35 | |
| 9 | 200-1701041 | Шайба | |
| 10 | 236-1704018 | Корпус масляного насоса в сборе | |
| 11 | 200-1702083 | Шарик | |
| 12 | 200-1704027 | Пружина клапана | |
| 13 | 236-1704026 | Пробка клапана | |
| 14 | 236-1704030 | Шестерня ведомая | |
| 15 | 310037-П29 | Болт | |
| 16 | 312581-П29 | Шайба | |
| 17 | 236-1704070 | Основание масляного насоса | |
| 18 | 236-1704017-А2 | Прокладка основания | |
| 19 | 238Н-1701078 | Гнездо заднего подшипника промежуточного вала |
Гнездо заднего подшипника промежуточного вала
|
| 20 | 238-1701207-А | Кольцо центрирующее заднего подшипника вторичного вала | |
| 21 | 216320-П29 | Шпилька | |
| 22 | 316121-П29 | Пробка К 1/4" | |
| 23 | 200-1701021-А | Прокладка | |
| 24 | 236-1701020 | Крышка люка отбора мощности | |
| 25 | 252136-П2 | Шайба 10 пружинная |
Шайба 10 пружинная
|
| 26 | 201497-П29 | Болт М10х25 | |
| 27 | 236-1704049 | Сетка заборника | |
| 28 | 236-1704056-А | Прокладка | |
| 29 | 236-1704054-Б | Крышка заборника | |
| 30 | 238Н-1721255-Б | Пробка сливного отверстия с магнитом в сборе | |
| 31 | 238Н-1721258-Б | Пробка | |
| 32 | 312480-П2 | Шайба | |
| 33 | 236-1704130 | Кольцо пружинное | |
| 35 | 236-1704128 | Кожух магнита | |
| 36 | 220116-П2 | Винт | |
| 37 | 262518-П2 | Пробка | |


