Личный кабинет
Регистрация
Авторизация
Закладки (0)
Корзина
Оформление заказа
Пн-Чт: с 08:00 до 17:00 <br> Пт: с 08:00 до 16:00
+375 (29) 655-44-22
+375 (29) 624-09-45
Категории
Каталог
ГАЗ
МАЗ
ЗИЛ
Товары народного потребления
Запасные части
ПАЗ
Схемы
Показать все
О нас
Оплата
Доставка
Контакты
Каталог
Схемы
Двигатели
Каталог запасных частей к технике ГАЗ
Каталог запасных частей к технике ГАЗ
Выберите подкатегорию
ГАЗ-560
ГАЗ-5603 (Евро 4)
Сравнение товаров (0)
По умолчанию
Название (А - Я)
Название (Я - А)
Цена (низкая > высокая)
Цена (высокая > низкая)
Рейтинг (начиная с высокого)
Рейтинг (начиная с низкого)
Модель (А - Я)
Модель (Я - А)
15
25
50
75
100
Приемное устройство топливопровода, насос топливный электрический, фильтры грубой и тонкой очистки, трубопроводы топливные
Радиатор, кожух вентилятора, датчик сигнализатора перегрева охлаждающей жидкости
Радиатор, краник сливной на радиаторе, датчик перегрева охлаждающей жидкости
Расширительный бачок со шлангами, пробка расширительного бачка
Расширительный бачок со шлангами, пробка расширительного бачка
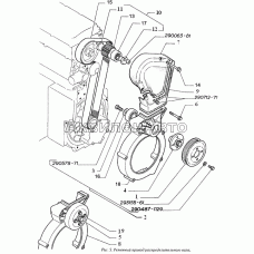
Ременной привод распределительного вала, крышки зубчатого ремня и опора вентилятора
Ременный привод распределительного вала, крышки зубчатого ремня и опора вентилятора двигателя
Рессора задняя с подрессорником
Рулевой механизм со встроенным гидроусилителем, насос, бачок и шланги рулевого гидроусилителя
Система вентиляции картерных газов, маслопровод к турбокомпрессору и вакуумному насосу
Стартер
Сцепление
Сцепление, рабочий цилиндр привода сцепления
Топливные трубопроводы, электрический подкачивающий насос
Топливный погружной модуль, топливные трубопроводы
|<
<
1
2
3
4
5
6
7
8
9
>
>|
Показано с 106 по 120 из 129 (всего 9 страниц)