Пн-Чт: с 08:00 до 17:00 <br> Пт: с 08:00 до 16:00
+375 (29) 624-09-45

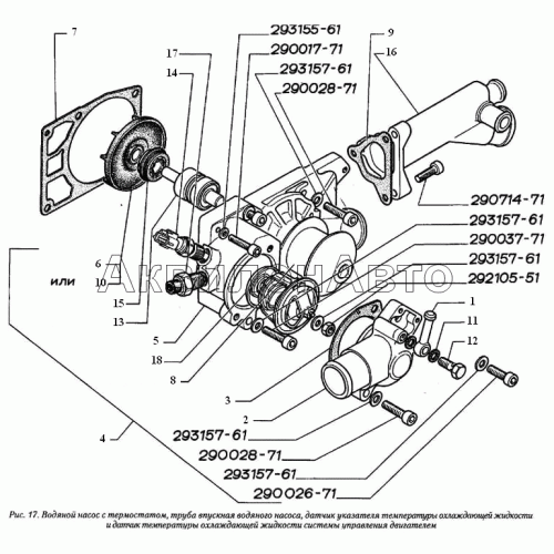
Водяной насос с термостатом, труба впускная водяного насоса, датчик указателя температуры охлаждающей жидкости и датчик температуры охлаждающей жидкости системы управления двигателем

  • Водяной насос с термостатом, труба впускная водяного насоса, датчик указателя температуры охлаждающей жидкости и датчик температуры охлаждающей жидкости системы управления двигателем
  • Модель: ГАЗ-560
  • Цены и наличие уточняйте по телефонам
  • +375 (29) 655-44-22
  • +375 (29) 624-09-45

Номер детали Наименование детали
290017-71 Болт М6х30 (3862332/0)
290026-71 Болт М8х20 (9000063/0)
290028-71 Болт М8х30 (3862433/0)
290037-71 Болт М8х80 (3862478/0)
290714-71 Болт М6х25 (9000275/0)
292105-51 Гайка М8 (3871252/0)
293155-61 Шайба 6,4
293157-61 Шайба 8,4
1 560.1306028 Угольник поворотный со штуцером
2 560.1306032 Крышка термостата (2178872/0)
3 560.1306034 Прокладка крышки термостата (2203523/1)
4 560.1307008 Водяной насос с термостатом (2178020/3)
5 560.1307015 Корпус водяного насоса (2173604/3)
6 560.1307030 Крыльчатка водяного насоса (2172158/3)
7 560.1307048 Прокладка водяного насоса (2177329/1)
8 560.1307054 Шкив привода водяного насоса (2178021 /О)
9 560.1307106 Прокладка впускной трубы водяного насоса (2177512/0)
10 560.1307032 Крыльчатка водяного насоса (2172158/1)
11 560.3548277 Прокладка 10х14
12 560.3548276 Болт-штуцер 10
13 2172739/0 Подшипник водяного насоса (560.1307027ДС)
14 2174623/3 Датчик температуры охлаждающей жидкости системы управления двигателем (560.3761208-10)
15 2177653/1 Сальник водяного насоса (560.1307013ДС)
16 560.1307105-10 Труба впускная (2203490/0)
17 ТМ106-10 Датчик указателя температуры охлаждающей жидкости (ТМ 106-3808000-10)
18 ТС107-01 Термостат с твердым наполнителем (ТС107-1306100-01)

Написать отзыв

Примечание: HTML разметка не поддерживается! Используйте обычный текст.
  Хорошо     Плохо