Пн-Чт: с 08:00 до 17:00 <br> Пт: с 08:00 до 16:00
+375 (29) 624-09-45

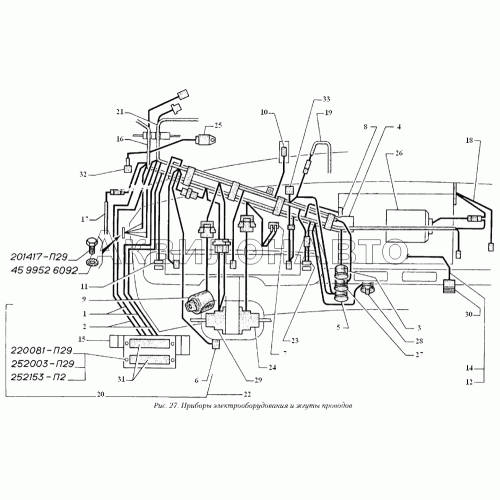
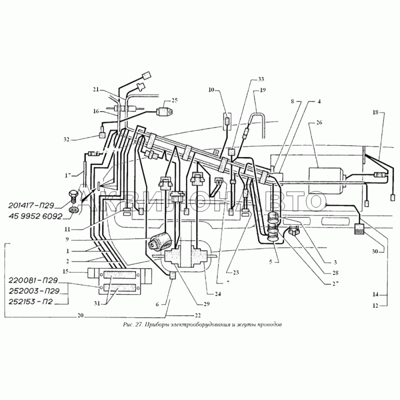
Приборы электрооборудования и жгуты проводов

  • Приборы электрооборудования и жгуты проводов
  • Модель: ГАЗ-560
  • Цены и наличие уточняйте по телефонам
  • +375 (29) 655-44-22
  • +375 (29) 624-09-45

Номер детали Наименование детали
201417-П29 Болт М6-6gх14 ОСТ 37.001.123-96
220081-П29 Винт М5-6gх18 ОСТ 37.001.127-81
252003-П29 Шайба 5 ОСТ 37.001.144-96
252135-П2 Шайба 8Т ОСТ 37.001.115-75
45 9952 6092 Шайба 6
1 330242-3724015 Жгут 1 (вх. в 2705-3724103-122)
2 3302-3724025-01 Жгут 2 (вх. в 22171-3724103, 3221-3724103 и 2705-3724103-122)
3 249.3710 Выключатель аварийной сигнализации
4 3302-3724224 Кожух жгутов
5 11.3725 Прикуриватель (11.3725000)
6 11.3704-01 Выключатель кнопочный
Выключатель кнопочный
7 15.3720 Выключатель сигнала торможения (2108-3720010)
8 17.3729 Резистор добавочный электродвигателя отопителя (17.3729000)
9 2108-3704010-80 Выключатель зажигания с противоугонным устройством
10 2176830/3 Модуль педальный (330242-3761230ДС)
11 2202.3803-31 Сигнализатор включения запальных свечей
12 2705-3724099 Жгут 99 (вх. в 2705-3724103-122)
13 294.3710 Включатель аварийной сигнализации
14 3221-3724099 Жгут 99
15 3302-3722222 Кронштейн крепления блоков предохранителей
16 3302-3724025-01 Жгут 2 (вх. в 22171-3724103, 3221-3724103 и 2705-3724103-122)
17 3302-3724038 Жгут плафона
18 3302-3724053 Провод 53 "массы" РМ или РП
19 3302-3724185 Провод
20 3302-3724224 Кожух жгутов
21 330242-3724015 Жгут 1 (вх. в 2705-3724103-122)
22 330242-3724103 Жгуты с блоками предохранителей
23 3802.3710-02.04 Выключатель заднего противотуманного фонаря (3802.3710000-Ю)
24 401.3709-01 Переключатель стеклоочистителя и стеклоомывателя (401.3709000-01)
25 494.3747 Прерыватель указателей поворота и аварийной сигнализации
26 511.3730 Электродвигатель вентилятора переднего отопителя (511.3730000)
27 5302.3709 Переключатель освещения
28 63.3709 Переключатель вентилятора переднего отопителя (63.3709000)
29 661.3709 Переключатель указателей поворота ближнего и даль него света
30 П147-08.11 Переключатель вентилятора заднего отопителя и электронасоса (П 147-3709000-08.11)
31 ПР121 Блок предохранителей (ПР121.3722000)
32 ПС 500 Розетка штепсельная лампы переносной
33 РС492 Прерыватель контрольной лампы стояночного тормоза (РС492-3803010)

Написать отзыв

Примечание: HTML разметка не поддерживается! Используйте обычный текст.
  Хорошо     Плохо