Пн-Чт: с 08:00 до 17:00 <br> Пт: с 08:00 до 16:00
+375 (29) 624-09-45

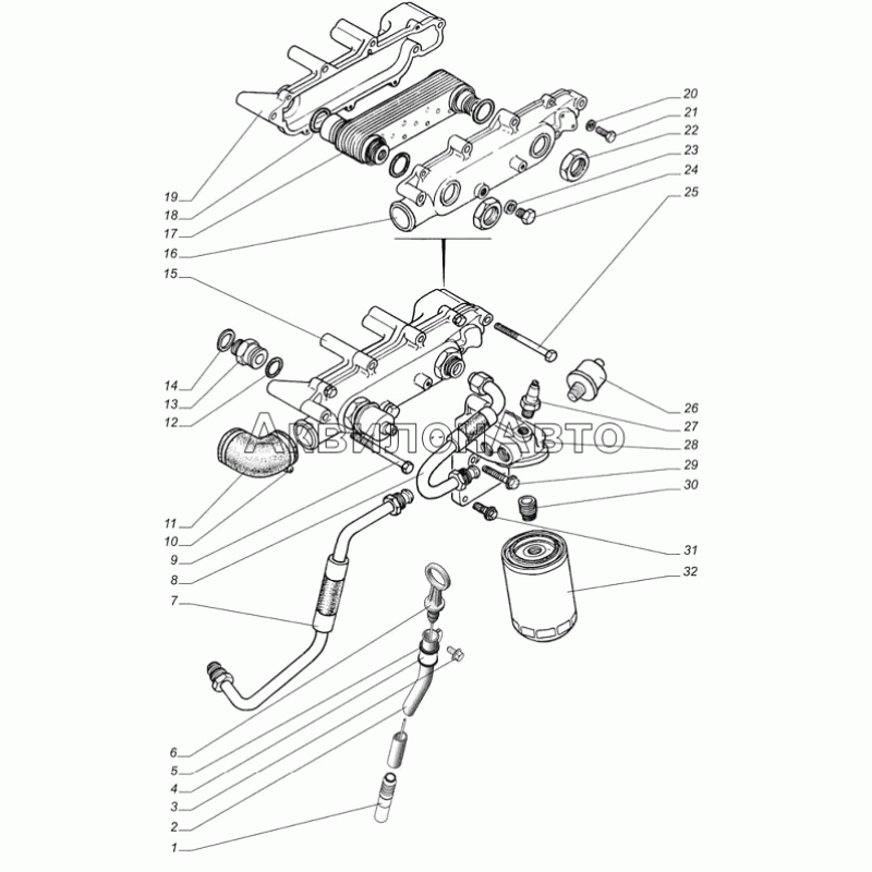
Масляный фильтр, масляный радиатор, датчики давления и аварийного давления масла двигателя

  • Масляный фильтр, масляный радиатор, датчики давления и аварийного давления масла двигателя
  • Модель: ГАЗ-560
  • Цены и наличие уточняйте по телефонам
  • +375 (29) 655-44-22
  • +375 (29) 624-09-45

Номер детали Наименование детали
1 560.1009057 Штуцер трубки указателя (2203570/0)
2 560.1009046 Трубка указателя уровня масла (2203571 /О)
3 290711-71 Болт Мбх 12 (9000287/0)
4 297507-П29 Скоба
5 66-3724250 Прокладка уплотнительная
6 560.1009050 Указатель уровня масла (2203544/0)
7 2203496/1 Шланг подводящий (560.1017205ДС)
8 2203566/1 Шланг отводящий (560.1017206ДС)
9 560.1013250 Болт М8х 120
10 00.10.00-04 Хомут 40-56 ТО17-9-20-98
10 ТОRRО40-60/9-С7W1 Хомут 40-60
11 560.1013190 Труба системы охлаждения (2173812/0)
12 562.1011086 Кольцо уплотнительное
13 560.1013195 Штуцер соединительный (2178068/0)
14 560.1013357 Шайба
15 560.1013010 Радиатор масляный (2203264/1)
15 5602.1013010 Радиатор масляный
16 560.1013033 Бачок радиатора (2203262/1)
17 2178632/1 Вставка радиатора
17 560.1013015-01 Вставка радиатора
17 5602.1013015 Вставка радиатора
18 560.1013158 Кольцо уплотнительное (2177741/0)
19 560.1013036 Основание радиатора (2203260/2)
20 293155-61 Шайба 6,4
21 290016-71 Болт Мбх 25 (3862327/0)
22 292977-П29 Гайка М30х1,5-5Н6Н
23 31052-3761027 Прокладка датчика температуры охлаждающей жидкости
24 560.1013199 Пробка
25 560.1013249 Болт М8х110
26 3902.3829010 Датчик давления масла 3902.3829
27 2602.3829010 Датчик аварийного давления масла 2602.3829
27 В10.3829.000 Датчик аварийного давления масла В10.3829. В10.3829.000ТУ
28 560.1017020-20 Корпус масляного фильтра (2203536/0)
28 5602.1017020 Корпус масляного фильтра
29 290729-71 Болт М8х 50 (9000279/0)
30 560.1017150-10 Штуцер крепления фильтра
31 290726-71 Болт М8х 35 (9000278/0)
32 2178582/0 Фильтр масляный (560.1017005-01ДС)
32 2178582/1 Фильтр масляный (560.1017005ДС)
32 560.1017005-02 Фильтр масляный
32 560.1017005-03 Фильтр очистки масла

Написать отзыв

Примечание: HTML разметка не поддерживается! Используйте обычный текст.
  Хорошо     Плохо