Личный кабинет
Регистрация
Авторизация
Закладки (0)
Корзина
Оформление заказа
Пн-Чт: с 08:00 до 17:00 <br> Пт: с 08:00 до 16:00
+375 (29) 655-44-22
+375 (29) 624-09-45
Категории
Каталог
ГАЗ
МАЗ
ЗИЛ
Товары народного потребления
Запасные части
ПАЗ
Схемы
Показать все
О нас
Оплата
Доставка
Контакты
Каталог
Схемы
Двигатели
Каталог запасных частей к технике СМД
Каталог запасных частей к технике СМД
Выберите подкатегорию
14 (1998 г. Минск)
14...-20 (1998 г. Москва)
17...-18 (1998 г. Москва)
21...-24 (1998 г. Москва)
23 (Каталог РСМ)
31 (1998 г. Москва)
31А (Каталог РСМ)
60...-73 (1998 г. Москва)
Сравнение товаров (0)
По умолчанию
Название (А - Я)
Название (Я - А)
Цена (низкая > высокая)
Цена (высокая > низкая)
Рейтинг (начиная с высокого)
Рейтинг (начиная с низкого)
Модель (А - Я)
Модель (Я - А)
15
25
50
75
100
Агрегаты пускового двигателя СМД-14НГ,-14БН,-15Н,-19,-20
Агрегаты пускового двигателя СМД-21, -22, 22А, 23, 23.01, 23.02, 24, 24.01, 24.02
Блок зубчатых колес СМД-17,-17Н.01,-17Н.02,-17Н.03,-17Н.04,-18,-18Н.01,-18Н.02,-18Н.03,-18Н.04
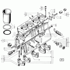
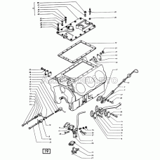
Блок-картер
Блок-картер
Блок-картер
Блок-картер СМД-14НГ,-14БН,-15Н,-19,-20
Блок-картер СМД-31, -31А, -31.01, 31Б.04
Блок-картер СМД-60, -62, -64, -66, -72, -61, -63, -65, -73
Блок-картер СМД-60, -62, -64, -66, -72, -61, -63, -65, -73
Вал коленчатый
Вал коленчатый
Вал коленчатый
Вал коленчатый СМД-14НГ,-14БН,-15Н,-19,-20
Вал коленчатый СМД-17,-17Н.01,-17Н.02,-17Н.03,-17Н.04,-18,-18Н.01,-18Н.02,-18Н.03,-18Н.04
1
2
3
4
5
6
7
8
9
>
>|
Показано с 1 по 15 из 338 (всего 23 страниц)