- Модель: ГАЗ-5603 (Евро 4)
- Цены и наличие уточняйте по телефонам
- +375 (29) 655-44-22
- +375 (29) 624-09-45
| № | Номер детали | Наименование детали | |
|---|---|---|---|
| 1 | 2217-3402015 | Колесо рулевого управления | |
| 2 | 2217-3402018 | Орнамент накладки выключателя звукового сигнала | |
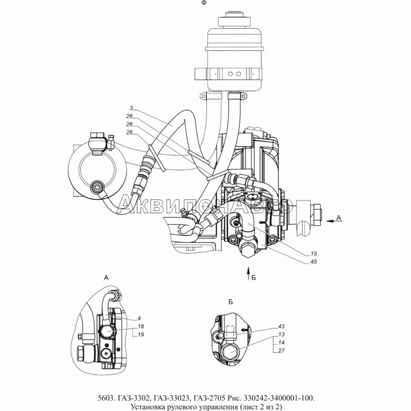
| 3 | 330242-3408161-01 | Шланг нагнетательный с наконечником | |
| 4 | 2217-3408164 | Наконечник нагнетательного шланга | |
| 6 | 2217-3408297 | Радиатор ГУР с заглушками | |
| 10 | 3110-3401227 | Клин рулевого управления | |
| 11 | 330242-3403015 | Кронштейн крепления рулевого механизма | |
| 12 | 330242-3408087 | Муфта соединительная всасывающей магистрали | |
| 13 | 3105-3408100 | Болт-штуцер | |
| 14 | 3105-3408102 | Кольцо уплотнительное | |
| 15 | 33104-3408180-10 | Шланг сливной | |
| 16 | 2217-3408206 | Кронштейн | |
| 17 | 2217-3408207 | Скоба двойная | |
| 18 | 3105-3430100 | Болт-штуцер нагнетательной магистрали | |
| 19 | 3105-3430102 | Кольцо уплотнительное болта-штуцера | |
| 21 | 4905-3910186 | Кольцо клапана | |
| 22 | 41-8101578 | Оболочка защитная | |
| 23 | 45 3114 9044 | Болт М14х1,5х35 | |
| 24 | 45 9953 1818 | Гайка М6 | |
| 25 | 45 9953 1819 | Гайка М8 | |
| 26 | 3105-3724527 | Поясок | |
| 27 | 2217-3408087 | Муфта соединительная | |
| 29 | 45 9377 1165 | Болт | |
| 30 | 2705-6426203 | Винт М6х16 | |
| 31 | 290018-71 | Болт М6х35 | |
| 32 | 250512-П29 | Гайка М10-6Н ОСТ 37.001.124-93 | |
| 33 | 45 9553 1270 | Гайка М22х1,5-6Н | |
| 34 | 45 9563 1253 | Гайка М8-6Н крепления задней подушки подвески двигателя | |
| 35 | 252005-П29 | Шайба 8 ОСТ 37.001.144-96 |
Шайба 8 ОСТ 37.001.144-96
|
| 36 | 252136-П2 | Шайба 10 ОТ ОСТ 37.001.115-75 |
Шайба 10 ОТ ОСТ 37.001.115-75
|
| 37 | 252138--П2 | Шайба 14.ОТ | |
| 38 | 252156-П2 | Шайба 10Л ОСТ 37.001.115-75 | |
| 39 | 252195-П29 | Шайба 16 ОСТ 37.001.146-75 | |
| 40 | 45 9816 6053 | Шайба 22Т.65Г.016 | |
| 43 | 00.10.00 | Хомут 12-22 ТО17-9-20-98 | |
| 44 | 00.10.00-02 | Хомут 20-32 ТО17-9-20-98 | |
| 45 | HRG100-4-L-R-1 | Механизм рулевого управления | |

