- Модель: ГАЗ-5603 (Евро 4)
- Цены и наличие уточняйте по телефонам
- +375 (29) 655-44-22
- +375 (29) 624-09-45
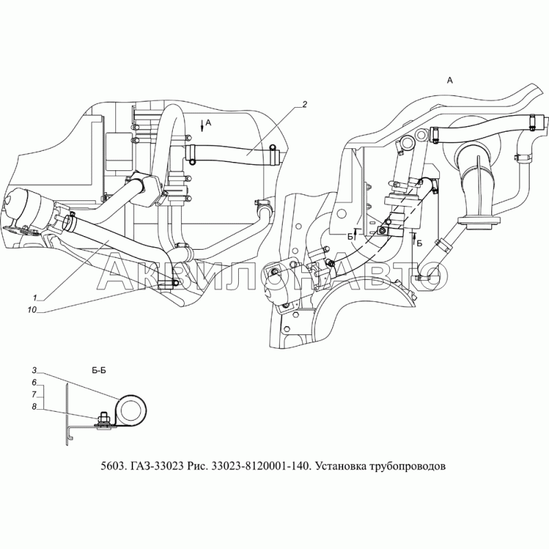
| № | Номер детали | Наименование детали | |
|---|---|---|---|
| 1 | 31104-8120032 | Шланг | |
| 2 | 31104-8120038 | Шланг | |
| 3 | 3110-8120166 | Скоба крепления шланга | |
| 6 | 250608-П29 | Гайка М6-6Н ОСТ 37.001.124-93 | |
| 7 | 252154-П2 | Шайба 6Л ОСТ 37.001.115-75 | |
| 8 | 252004-П29 | Шайба 6 ОСТ 37.001.144-96 | |
| 10 | 45 3114 9907 | Хомут 20-32 | |

