Пн-Чт: с 08:00 до 17:00 <br> Пт: с 08:00 до 16:00
+375 (29) 624-09-45

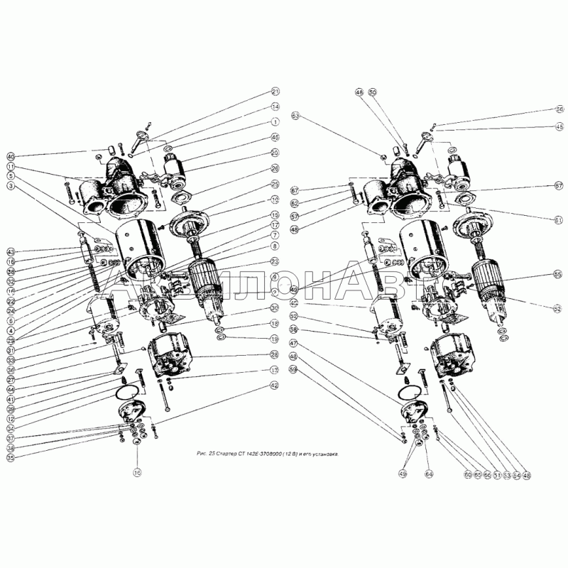
Стартер СТ142Е-3708000 (12В)и его установка

  • Стартер СТ142Е-3708000 (12В)и его установка
  • Модель: Д-243
  • Цены и наличие уточняйте по телефонам
  • +375 (29) 655-44-22
  • +375 (29) 624-09-45

Номер детали Наименование детали
541.3708800 Реле
541.3708890 Крышка реле
СТ142Е-3708100 Корпус
СТ142Е-3708400 Крышка со стороны привода
1 СТ142Е-3708009 Шайба упорная
2 СТ142Е-3708060 Щетка
3 СТ142Е-3708091 Перемычка
4 СТ142Е-3708102 Полюс
5 СТ142Е-3708105 Корпус
6 СТ142Е-3708110 Катушки
7 СТ142Е-3708115 Втулка изоляционная
8 СТ142Е-3708137 Наконечник
9 СТ142Е-3708200 Якорь
10 СТ142Е-3708270 Держатель подшипника
11 СТ142Е-3708401 Крышка со стороны привода
12 СТ142Е-3708832 Болт контактный
13 СТ142-3708003 Шайба
14 СТ142-3708008 Кольцо уплотнительное
15 СТ142-3708011 Шайба
16 СТ142-3708012 Гайка М12
17 СТ142-3708014 Пластина
18 СТ142-3708017 Шайба
19 СТ142-3708018 Шайба
20 СТ142-3708020 Рычаг
21 СТ142-3708070-01 Ось рычага
22 СТ142-3708106 Шайба
23 СТ142-3708107 Болт выводной
24 СТ142-3708108 Шайба уплотнительная
25 СТ142-3708113 Винт полюса
26 СТ142-3708265 Пластина
27 СТ142-3708267 Пробка
28 СТ142-3708300-10 Крышка со стороны коллектора
29 СТ142-3708304 Пружина
30 СТ142-3708305 Вкладыш
31 СТ142-3708330 Траверса
32 СТ142-3708804 Пружина
33 СТ142-3708805 Шайба уплотнительная
34 СТ142-3708807 Кольцо уплотнительное
35 СТ142-3708808 Шайба
36 СТ142-3708832 Болт контактный
37 СТ142-3708833 Шайба уплотнительная
38 СТ142-3708835 Шайба
39 СТ222-3708867 Пружина диска реле
40 СТ130-3708302 Вкладыш
41 СТ230-3708866 Шайба регулировочная
42 СТ230А-3708893 Кольцо уплотнительное
43 54.3708811 Якорь
44 54.3708860 Плунжер
45 541.3708600 Привод
46 541.3708840 Ярмо с катушкой
47 541.3708891 Крышка реле
47 541.3708891-01 Крышка реле
48 1/05164/70 Шайба пружинная 6
49 1/05170/70 Шайба пружинная 12
49 1/05170/73 Шайба пружинная 12
50 1/09026/21 Болт ТЕ М6х25
51 1/10304/21 Болт ТЕ М6х75
52 1/11954/70 Шайба пружинная 5
53 1/26053/71 Шайба зубчатая
54 1/25742/11 Гайка Е самоконтрящая с нейлоновой вставкой М6
55 1/32739/01 Винт ТС М5х10
56 1/32760/01 Винт ТС М6х12
57 1/32764/01 Винт ТС М6х20
58 1/32736/01 Винт М5х6
59 1/58.962/11 Гайка ЕМ6
60 М5-6gх14,5.8.016 Винт В1
61 М12-6gх30.88.35.019 Болт
62 М12-6gх45.88.35019 Болт
63 М10-6Н.6.016 Гайка
64 М12-6Н.6.019 Гайка
65 5.01.016 Шайба
66 5Л65Г.016 Шайба
67 12.65Г.06 Шайба

Написать отзыв

Примечание: HTML разметка не поддерживается! Используйте обычный текст.
  Хорошо     Плохо