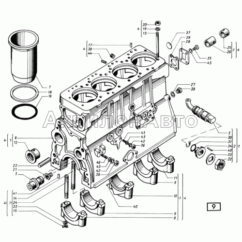
| № |
Номер детали |
Наименование детали |
|
22-01С2Б-01 |
Блок-картер |
|
|
А57.02.025А2 |
Втулка распределительного вала средняя |
|
| 1 |
22-0102Б |
Блок-картер |
|
| 2 |
22-01С6А |
Установка форсунки |
|
| 3 |
22-01СТА |
Форсунка |
|
| 4 |
22-01С13 |
Блок-картер |
|
| 5 |
14-01С18А |
Палец с заглушкой |
|
| 6 |
22-0101Г-01 |
Блок-картер |
|
| 7 |
14-0102 |
Гильза цилиндра |
|
| 8 |
14-0104-2А |
Крышка первого коренного подшипника |
|
| 9 |
14-0105-3А |
Крышка второго и четвертого коренных подшипников |
|
| 10 |
14-0106-3А |
Крышка третьего коренного подшипника |
|
| 11 |
14-0107-3А |
Крышка четвертого коренного подшипника |
|
| 12 |
СМД14-0109 |
Подшипник распределительного вала передний |
|
| 13 |
14-0116 |
Шпилька крепления головки |
|
| 14 |
14-0117-1 |
Шпилька коренных подшипников |
|
| 15 |
СМД1-0118 |
Гайка коренных подшипников |
|
| 16 |
СМД9-0128А |
Кольцо уплотнительное |
|
| 17 |
СМД1-0130 |
Втулка |
|
| 18 |
14-0141 |
Кольцо |
|
| 19 |
14-0150 |
Шайба |
|
| 20 |
14-0163 |
Гайка |
|
| 21 |
СМД7-0164 |
Пробка |
|
| 22 |
СМД7-0166 |
Втулка направляющая |
|
| 23 |
СМД7-0168 |
Шайба специальная |
|
| 24 |
14-0185 |
Шпилька коренных подшипников |
|
| 25 |
А57.02.025 |
Втулка распределительного вала средняя |
|
| 26 |
А57.02.024 |
Втулка распределительного вала задняя |
|
| 27 |
СМД7-0684 |
Прокладка |
|
| 28 |
15-0112 |
Крышка задняя |
|
| 29 |
СМД1-1329 |
Прокладка патрубка |
|
| 30 |
22-0147 |
Фиксатор |
|
| 31 |
22-0148 |
Кольцо уплотнительное |
|
| 32 |
22-0149 |
Гайка специальная |
|
| 33 |
22-0150 |
Шайба стопорная |
|
| 34 |
22-0151 |
Втулка |
|
| 35 |
М10-6gс25.88 |
Болт |
|
| 36 |
М10-6Н.6 |
Гайка |
|
| 37 |
60-08 |
Заглушка |
|
| 38 |
14-0110 |
Пробка резьбовая |
|
| 39 |
4КГ3/8" |
Пробка |
|
| 40 |
5h8х10 |
Штифт цилиндрический |
|
| 41 |
8h8х20 |
Штифт |
|
| 42 |
1065Г05 |
Шайба |
|
| 43 |
10х1,5.04.05 |
Шайба |
|
| 44 |
М8х20.88 |
Шпилька |
|
| 45 |
М10х22.88 |
Шпилька |
|
| 46 |
М10х28.56 |
Шпилька |
|