Пн-Чт: с 08:00 до 17:00 <br> Пт: с 08:00 до 16:00
+375 (29) 624-09-45

Головка цилиндров с коллекторами и термостатом 442-00с2-10.04

  • Головка цилиндров с коллекторами и термостатом 442-00с2-10.04
  • Модель: Д-442
  • Цены и наличие уточняйте по телефонам
  • +375 (29) 655-44-22
  • +375 (29) 624-09-45

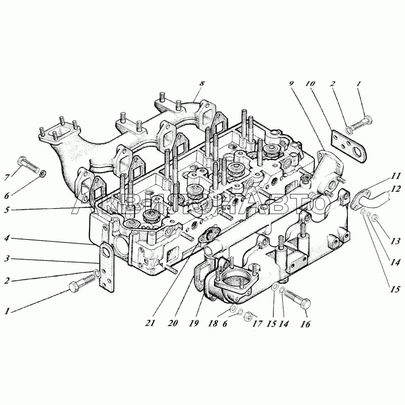
Номер детали Наименование детали
442-00с2-10.04 Головка цилиндров с коллекторами и термостатом
1 Болт [01-0699] Болт
2 Шайба 12.65Г.05 [6402] Шайба 12.65Г.05
3 6А1-0643 Кронштейн грузовой
4 440-06с9-10 Головка цилиндров с клапанами
5 01-07с7 Прокладка выпускного коллектора
Прокладка выпускного коллектора
6 Шайба 10.65Г.05 [6402] Шайба 10.65Г.05
7 Болт М10-6gх35.88.35.016 [7796] Болт М10-6gх35.88.35.016
8 440-07с2-10 Коллектор выпускной
9 41-06с15-11 Труба водяная
10 01М-0666 Кронштейн грузовой передний
11 01-0929А Прокладка
12 41-1928А Патрубок водоотводящий
13 Гайка М8-6Н.6.016 [5915] Гайка М8-6Н.6.016
14 Шайба 8.65Г.05 [6402] Шайба 8.65Г.05
15 Шайба 8.01.08кп.013 [11371] Шайба 8.01.08кп.013
16 Болт М8-6gх25.88.35.016 [7796] Болт М8-6gх25.88.35.016
17 Гайка М10-6Н.6.016 [5915] Гайка М10-6Н.6.016
18 Шайба 10х2.01.08кп.013 [10450] Шайба 10х2.01.08кп.013
19 440-06с13-04-01 Коллектор впускной
20 04-0662-1 Прокладка всасывающего коллектора
21 6А1-0657 Прокладка водяной трубы

Написать отзыв

Примечание: HTML разметка не поддерживается! Используйте обычный текст.
  Хорошо     Плохо