Пн-Чт: с 08:00 до 17:00 <br> Пт: с 08:00 до 16:00
+375 (29) 624-09-45

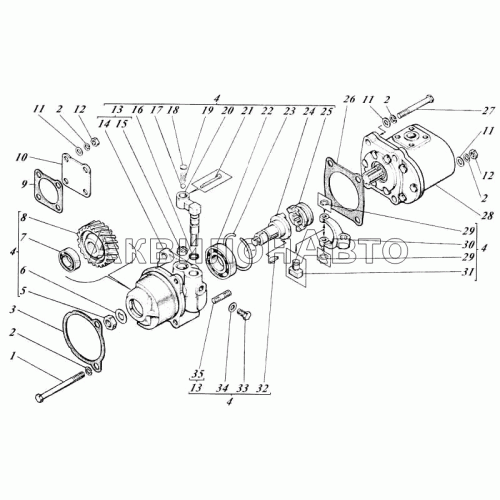
Насосы шестеренные с приводами 440-24-26с1

  • Насосы шестеренные с приводами 440-24-26с1
  • Модель: Д-442И
  • Цены и наличие уточняйте по телефонам
  • +375 (29) 655-44-22
  • +375 (29) 624-09-45

Номер детали Наименование детали
440-24-26с1 Насосы шестеренные с приводами
1 Болт М10-6ах110.58.013 [7795] Болт М10-6ах110.58.013
2 Шайба 10.65Г05 [6402] Шайба 10.65Г05
3 6Т2-2604 Прокладка
4 6Т2-26с2-1 Привод насоса
5 Гайка М16-6Н.8.05 [2526] Гайка М16-6Н.8.05
6 Шайба стопорная [01М-2638] Шайба стопорная
7 8338204 Подшипник
8 01-2633А Колесо зубчатое
9 6Т3-2632 Прокладка
10 41-2634 Крышка
11 Шайба А10х2.2.01.08кп.011 [10450] Шайба А10х2.2.01.08кп.011
12 Гайка М10-6Н.6.013 [5915] Гайка М10-6Н.6.013
13 6Т2-26с3 Корпус
14 01-2601 Корпус привода
15 СМД2-2618 Ограничитель
16 Кольцо уплотнительное [СМД2-2622-1] Кольцо уплотнительное
17 3772Б8-200 Шарик
18 14-2619 Заглушка
19 К77.66.410-1 Пружина
20 01-2634 Рычаг включения
21 Шплинт 3,2х25.05 [397] Шплинт 3,2х25.05
22 Подшипник 207 [8338] Подшипник 207
23 Кольцо стопорное [ОШ-1334] Кольцо стопорное
24 СМД7-2602-1 Вал привода
25 01-2605 Муфта кулачковая
26 01М-2616 Прокладка
27 Болт М10-62х100.58.013 [7795] Болт М10-62х100.58.013
28 НШ32В-3Л Насос шестеренный
28 НШ32Д-3-Л Насос шестеренный
28 НШ32М-3-Л Насос шестеренный
29 Кольцо предохранительное [01М-2624] Кольцо предохранительное
30 СМД2-2606-1 Вилка
31 01М-2607-2 Сухарик
32 41-2168-1 Шпонка сегментная
33 Винт установочный [01-2636] Винт установочный
34 Шайба 8.37 [11371] Шайба 8.37
35 Шпилька М10-Т0/6gх28.88.35.013 [22036] Шпилька М10-Т0/6gх28.88.35.013

Написать отзыв

Примечание: HTML разметка не поддерживается! Используйте обычный текст.
  Хорошо     Плохо