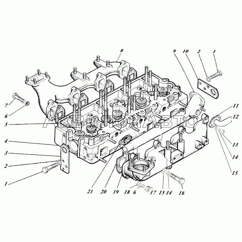
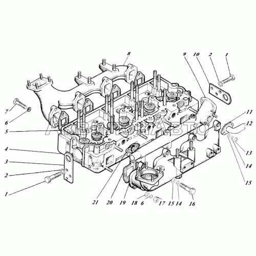
| № | Номер детали | Наименование детали | |
|---|---|---|---|
| 442-00с2-50 | Головка цилиндров с коллекторами и термостатом | ||
| 442-00с2-50 | Головка цилиндров с коллекторами и термостатом | ||
| 442-00с2-51 | Головка цилиндров с коллекторами и термостатом | ||
| 442-00с2-51 | Головка цилиндров с коллекторами и термостатом | ||
| 1 | Болт [01-0699] | Болт | |
| 2 | Шайба 12.65Г.05 [6402] | Шайба 12.65Г.05 | |
| 3 | 6А1-0643 | Кронштейн грузовой | |
| 4 | 440-06с9-10 | Головка цилиндров с клапанами | |
| 5 | 01-07с7 | Прокладка выпускного коллектора |
Прокладка выпускного коллектора
|
| 6 | Шайба 10.65Г.05 [6402] | Шайба 10.65Г.05 | |
| 7 | Болт М10-6gх35.88.35.013 [7796] | Болт М10-6gх35.88.35.013 | |
| 8 | 440-07с2-10 | Коллектор выпускной | |
| 9 | 41-06с15-11 | Труба водяная | |
| 9 | 41-06с15-11 | Труба водяная | |
| 9 | 41-06с15-11-01 | Труба водяная | |
| 9 | 41-06с15-11-01 | Труба водяная | |
| 9 | 41-06с15-11-02 | Труба водяная | |
| 9 | 41-06с15-11-02 | Труба водяная | |
| 10 | 01М-0666 | Кронштейн грузовой передний | |
| 11 | 01-0929А | Прокладка | |
| 12 | 41-1928А | Патрубок водоотводящий | |
| 13 | Гайка М8-6Н.6.016 [5915] | Гайка М8-6Н.6.016 | |
| 14 | Шайба 8.65Г.05 [6402] | Шайба 8.65Г.05 | |
| 15 | Шайба 8.01.08кп.013 [11371] | Шайба 8.01.08кп.013 | |
| 16 | Болт М8-6gх25.88.35.016 [7796] | Болт М8-6gх25.88.35.016 | |
| 17 | Гайка М10-6Н.6.016 [5915] | Гайка М10-6Н.6.016 | |
| 18 | Шайба 10х2.01.08кп.013 [10450] | Шайба 10х2.01.08кп.013 | |
| 19 | 440-06с13-04 | Коллектор впускной | |
| 19 | 440-06с13-04-01 | Коллектор впускной | |
| 20 | 04-0662-1 | Прокладка всасывающего коллектора | |
| 21 | 6А 1-0657 | Прокладка водяной трубы | |

