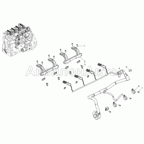
| № | Номер детали | Наименование детали | |
|---|---|---|---|
| 1 | 8.9218 | Винт М6-6gх16-8.8 | |
| 2 | 5340.3724126-10 | Кронштейн | |
| 3 | 8.9296 | Стяжка термостойкая ТКТЕ20/3.6 | |
| 4 | 5340.3724010 | Жгут форсунок | |
| 5 | 8.9089 | Болт с подголовником М8х1,25-16 8.8 | |
| 6 | 8.9298 | Хомут | |
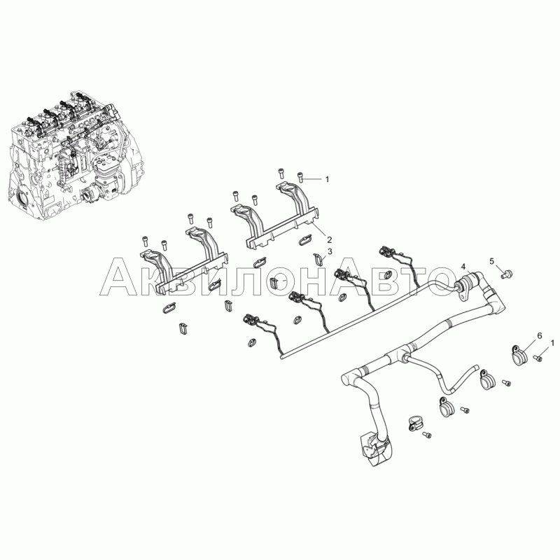
| № | Номер детали | Наименование детали | |
|---|---|---|---|
| 1 | 8.9218 | Винт М6-6gх16-8.8 | |
| 2 | 5340.3724126-10 | Кронштейн | |
| 3 | 8.9296 | Стяжка термостойкая ТКТЕ20/3.6 | |
| 4 | 5340.3724010 | Жгут форсунок | |
| 5 | 8.9089 | Болт с подголовником М8х1,25-16 8.8 | |
| 6 | 8.9298 | Хомут | |