Пн-Чт: с 08:00 до 17:00 <br> Пт: с 08:00 до 16:00
+375 (29) 624-09-45

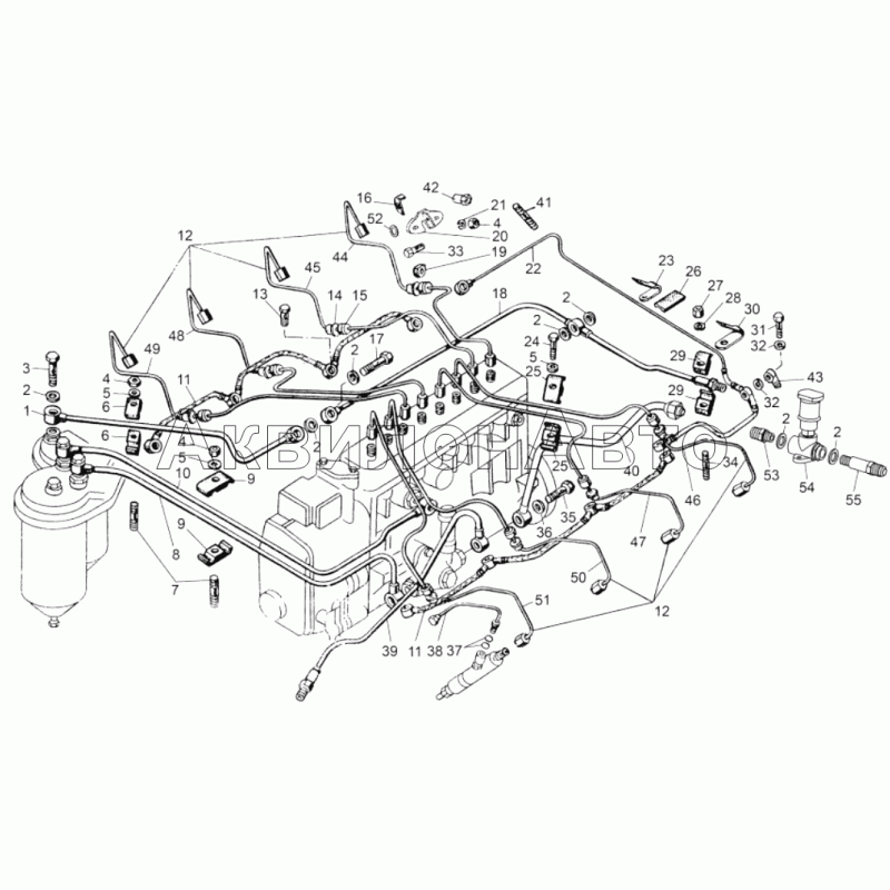
Топливные трубопроводы

  • Топливные трубопроводы
  • Модель: ТМЗ-8525.10
  • Цены и наличие уточняйте по телефонам
  • +375 (29) 655-44-22
  • +375 (29) 624-09-45

Номер детали Наименование детали
1 842.1104384-10 Трубка отводящая топливного фильтра
2 312326-П Прокладка 14х19х1,5
3 310096-П29 Болт М14х1,5х30
Болт М14х1,5х30 Открыть фото
4 250511-П29 Гайка М8х1
5 252005-П29 Шайба 8
Шайба 8
6 840.1104514 Скоба
7 216531-П29 Шпилька М8х(1,25-3n/1-6g)х35
8 8421.1104422 Трубка отводящая топливоподкачивающего насоса
9 840.1104446 Скоба
10 8424.1104426-20 Трубка подводящая к ТНВД
11 842.1104373-10 Трубка дренажная длинная
12 842.1112406-10 Трубка высокого давления
13 310122-П29 Болт М10х1х22
Болт М10х1х22
14 840.1112534 Втулка
15 240.1104343 Шайба
16 240.1104358 Колодка крепления трубки
17 310236-П29 Болт М14х1,5х48,5
Болт М14х1,5х48,5
18 8421.1104382 Трубка отводящая ТНВД
19 240-1104344-А Уплотнитель
20 840.1112546 Фланец
21 252135-П2 Шайба 8.Т
22 842.1104370-10 Трубка дренажная
23 840.1104825 Кляммер
24 201464-П29 Болт М8х35
25 840.1112528 Скоба
26 840.1104336 Прокладка
27 250517-П29 Гайка М10х1,25-6Н
28 252136-П2 Шайба 10.ОТ
Шайба 10.ОТ
29 840.1104440 Колодка крепления трубок
30 8423.1104825 Кляммер
31 310239-П29 Болт М10х1х40
Болт М10х1х40
32 312482-П34 Шайба 10
33 201420-П29 Болт М6-6gх20
34 216559-П29 Шпилька М10х(1,5-3n/1,25-6g)х40
35 310264-П29 Болт М16х1,5х37
Болт М16х1,5х37
36 201-1015624 Шайба уплотнительная 16х22х2
Шайба уплотнительная 16х22х2
37 238-1723026 Кольцо уплотнительное
38 840.1104361-10 Трубка форсунки дренажная
40 8431.1104410 Трубка подводящая топливоподкачивающего насоса
41 216527-П29 Шпилька М8х(1,25-3n)/1-6g)х25
42 840.1112548 Гайка специальная
43 840.1104349 Наконечник
44 842.1112400-10 Трубка 1 секции ТНВД (4 цилиндр)
45 842.1112410-10 Трубка 2 секции ТНВД (3 цилиндр)
46 840.1112420-10 Трубка 3 секции ТНВД
47 840.1112430-10 Трубка 4 секции ТНВД
48 840.1112440-10 Трубка 5 секции ТНВД
49 840.1112450-10 Трубка 6 секции ТНВД
50 840.1112460-10 Трубка 7 секции ТНВД
51 840.1112470-10 Трубка 8 секции ТНВД
52 252004-П29 Шайба 6
53 8431.1104421 Штуцер
54 37.1141010 Насос предпусковой прокачки топлива
55 8431.1104422 Штуцер

Написать отзыв

Примечание: HTML разметка не поддерживается! Используйте обычный текст.
  Хорошо     Плохо