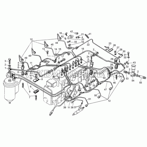
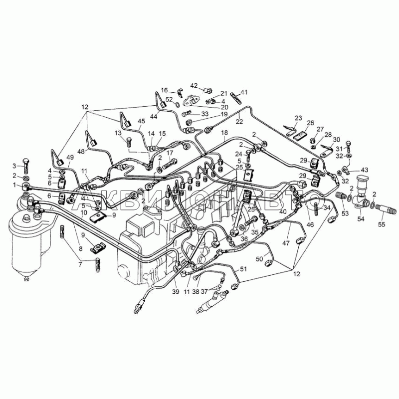
| № | Номер детали | Наименование детали | |
|---|---|---|---|
| 1 | 8437.1104384-10 | Трубка отводящая топливного фильтра | |
| 2 | 312326-П | Прокладка 14х19х1,5 | |
| 3 | 310096-П29 | Болт М14х1,5х30 | |
| 4 | 250511-П29 | Гайка М8х1 | |
| 5 | 252005-П29 | Шайба 8 |
Шайба 8
|
| 6 | 840.1104514 | Скоба | |
| 7 | 216531-П29 | Шпилька М8х(1,25-3n/1-6g)х35 | |
| 8 | 8437.1104422 | Трубка отводящая топливоподкачивающего насоса | |
| 9 | 840.1104446 | Скоба | |
| 10 | 8437.1104426-20 | Трубка подводящая к ТНВД | |
| 11 | 842.1104373-10 | Трубка дренажная длинная | |
| 12 | 840.1112402-10 | Трубка высокого давления | |
| 13 | 310122-П29 | Болт М10х1х22 |
Болт М10х1х22
|
| 14 | 840.1112534 | Втулка | |
| 15 | 240.1104343 | Шайба | |
| 16 | 240.1104358 | Колодка крепления трубки | |
| 17 | 310236-П29 | Болт М14х1,5х48,5 |
Болт М14х1,5х48,5
|
| 18 | 8421.1104382 | Трубка отводящая ТНВД | |
| 19 | 240-1104344-А | Уплотнитель | |
| 20 | 840.1112546 | Фланец | |
| 21 | 252135-П2 | Шайба 8.Т | |
| 22 | 842.1104370-10 | Трубка дренажная | |
| 23 | 840.1104825 | Кляммер | |
| 24 | 201464-П29 | Болт М8х35 | |
| 25 | 840.1112528 | Скоба | |
| 26 | 840.1104336 | Прокладка | |
| 27 | 250517-П29 | Гайка М10х1,25-6Н | |
| 28 | 252136-П2 | Шайба 10.ОТ |
Шайба 10.ОТ
|
| 29 | 840.1104440 | Колодка крепления трубок | |
| 30 | 8423.1104825 | Кляммер | |
| 31 | 310239-П29 | Болт М10х1х40 |
Болт М10х1х40
|
| 32 | 312482-П34 | Шайба 10 | |
| 33 | 201420-П29 | Болт М6-6gх20 | |
| 34 | 216559-П29 | Шпилька М10х(1,5-3n/1,25-6g)х40 | |
| 35 | 310264-П29 | Болт М16х1,5х37 |
Болт М16х1,5х37
|
| 36 | 201-1015624 | Шайба уплотнительная 16х22х2 |
Шайба уплотнительная 16х22х2
|
| 37 | 238-1723026 | Кольцо уплотнительное | |
| 38 | 840.1104361-10 | Трубка форсунки дренажная | |
| 39 | 8423.1104410 | Трубка подводящая топливоподкачивающего насоса | |
| 40 | 8431.1104410 | Трубка подводящая топливоподкачивающего насоса | |
| 41 | 216527-П29 | Шпилька М8х(1,25-3n)/1-6g)х25 | |
| 42 | 840.1112548 | Гайка специальная | |
| 43 | 840.1104349 | Наконечник | |
| 44 | 842.1112400-10 | Трубка 1 секции ТНВД (4 цилиндр) | |
| 45 | 842.1112410-10 | Трубка 2 секции ТНВД (3 цилиндр) | |
| 46 | 840.1112420-10 | Трубка 3 секции ТНВД | |
| 47 | 840.1112430-10 | Трубка 4 секции ТНВД | |
| 48 | 840.1112440-10 | Трубка 5 секции ТНВД | |
| 49 | 840.1112450-10 | Трубка 6 секции ТНВД | |
| 50 | 840.1112460-10 | Трубка 7 секции ТНВД | |
| 51 | 840.1112470-10 | Трубка 8 секции ТНВД | |
| 52 | 252004-П29 | Шайба 6 | |
| 53 | 8431.1104421 | Штуцер | |
| 54 | 37.1141010 | Насос предпусковой прокачки топлива | |
| 55 | 8437.1104420 | Штуцер | |


