Пн-Чт: с 08:00 до 17:00 <br> Пт: с 08:00 до 16:00
+375 (29) 624-09-45

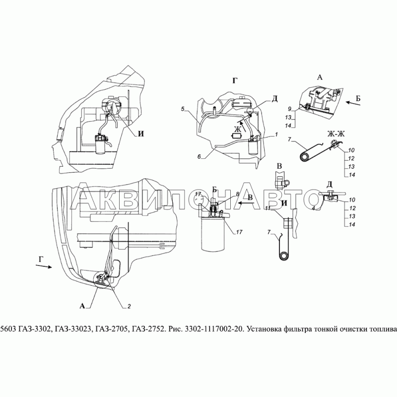
3302-1117002-20 Установка фильтра тонкой очистки топлива

  • 3302-1117002-20 Установка фильтра тонкой очистки топлива
  • Модель: ГАЗ-5603 (Евро 4)
  • Цены и наличие уточняйте по телефонам
  • +375 (29) 655-44-22
  • +375 (29) 624-09-45

Номер детали Наименование детали
1 5602.1117010 Фильтр тонкой очистки топлива
2 330242-1117165 Штуцер угловой
4 3308-1101290 Кронштейн
5 270508-1104303 Шланг
6 3302-1117101 Шланг
7 330242-1117146 Держатель шлангов
8 330242-1117158 Штуцер прямой
9 200211-П29 Болт М6х30
10 201418-П29 Болт М6-6gх16 ОСТ 37.001.123-96
11 250512-П29 Гайка М10-6Н ОСТ 37.001.124-93
12 250608-П29 Гайка М6-6Н ОСТ 37.001.124-93
13 252037-П29 Шайба 6 ОСТ 37.001.144-96
14 252154-П2 Шайба 6Л ОСТ 37.001.115-75
17 45 3114 9902 Хомут 12-18

Написать отзыв

Примечание: HTML разметка не поддерживается! Используйте обычный текст.
  Хорошо     Плохо