Пн-Чт: с 08:00 до 17:00 <br> Пт: с 08:00 до 16:00
+375 (29) 624-09-45

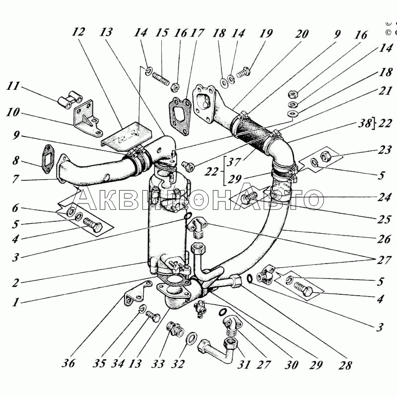
Жидкостно-масляный теплообменник с трубами 442-25-11с1-13

  • Жидкостно-масляный теплообменник с трубами 442-25-11с1-13
  • Модель: Д-442
  • Цены и наличие уточняйте по телефонам
  • +375 (29) 655-44-22
  • +375 (29) 624-09-45

Номер детали Наименование детали
442-25-11с1-13 Жидкостно-масляный теплообменник
1 6Т3-1303 Прокладка
2 442-56-11с2 Жидкостно-масляный теплообменник
3 Кольцо [440-2623] Кольцо
4 Болт М8-6gх30.88.35.016 [7796] Болт М8-6gх30.88.35.016
5 Шайба 8.65Г.05 [6402] Шайба 8.65Г.05
6 Шайба А8.01.08кп.013 [11371] Шайба А8.01.08кп.013
7 4405-1103-10 Патрубок
8 4405-1117 Прокладка
9 440-18с10 Хомут
10 442-25-11с9 Кронштейн
11 442-47-1112 Втулка установочная
12 442-25-1120-10 Экран
13 4405-1104 Патрубок
14 Шайба 10.65Г.05 [6402] Шайба 10.65Г.05
15 Шпилька [442-442-47-1118] Шпилька
16 Гайка М10-6Н.6.016 [5915] Гайка М10-6Н.6.016
17 03-1908 Прокладка
18 Шайба А10х2.01.08кп.013 [10450] Шайба А10х2.01.08кп.013
19 Болт М10-6gх30.88.35.016 [7796] Болт М10-6gх30.88.35.016
20 442-25-1116-10 Патрубок
21 4405-1325 Штуцер
22 442-56-11с1 9-1 Патрубок
23 Гайка М8-6Н.6.016 [5915] Гайка М8-6Н.6.016
24 442-56-1132 Хомут
25 Болт М8-6gх20.88.35.016 [7796] Болт М8-6gх20.88.35.016
26 442-25-1133 Труба
27 440-2647-01 Муфта угловая
28 442-56-11с6 Труба маслоотводящая
29 41Т-1835 Шланг соединительный
30 Кр2-1305000ГЧ Кран ПС7-0
31 442-56-11с5 Труба маслоотводящая
32 4601-1126-53-01 Прокладка
33 4405-1150 Штуцер
34 Болт М10-6gх20.88.35.016 [7796] Болт М10-6gх20.88.35.016
35 Шайба 12.65Г.05 [6402] Шайба 12.65Г.05
36 442-25-1106 Кронштейн нижний
37 442-56-1136 Патрубок

Написать отзыв

Примечание: HTML разметка не поддерживается! Используйте обычный текст.
  Хорошо     Плохо