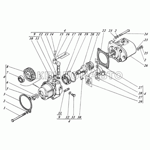
| № | Номер детали | Наименование детали | |
|---|---|---|---|
| 1 | Болт М10-6gх110.58.013 [7795] | Болт М10-6gх110.58.013 | |
| 2 | Шайба 10.65Г.05 [6402] | Шайба 10.65Г.05 | |
| 3 | 6Т2-2604 | Прокладка | |
| 4 | 6Т2-26с2-1 | Привод насоса | |
| 5 | Гайка М16-6Н.8 05 [2526] | Гайка М16-6Н.8 05 | |
| 6 | Шайба стопорная [01М-2638] | Шайба стопорная | |
| 7 | 8338 204 | Подшипник | |
| 8 | 01-2633А | Колесо зубчатое | |
| 9 | 6Т2-26с3 | Корпус | |
| 10 | 01-2601 | Корпус привода | |
| 11 | СМД2-2618 | Ограничитель | |
| 12 | Кольцо уплотнительное [СМД2-2622-1] | Кольцо уплотнительное | |
| 13 | 3722 | Шарик Б8-200 | |
| 14 | 14-2619 | Заглушка | |
| 15 | К77.66.410-1 | Пружина | |
| 16 | 01-2634 | Рычаг включения | |
| 17 | Шплинт 3.2х25.05 [397] | Шплинт 3.2х25.05 | |
| 18 | 8338 207 | Подшипник | |
| 19 | Кольцо стопорное [01М-1334] | Кольцо стопорное | |
| 20 | СМД7-2602-1 | Вал привода | |
| 21 | 01-2605 | Муфта кулачковая | |
| 22 | 01М-2616 | Прокладка | |
| 23 | Шайба А10х2.01.08кп.05 [10450] | Шайба А10х2.01.08кп.05 | |
| 24 | Болт М10-6gх100.58.013 [7795] | Болт М10-6gх100.58.013 | |
| 25 | Гайка М10-6Н.6.013 [5915] | Гайка М10-6Н.6.013 | |
| 26 | НШ32В-3-Л | Насос шестеренный | |
| 26 | НШ32Д-3-Л | Насос шестеренный | |
| 26 | НШ32М-3-Л | Насос шестеренный | |
| 27 | Кольцо предохранительное [01М-2624] | Кольцо предохранительное | |
| 28 | СМД2-2606-1 | Вилка | |
| 29 | 01М-2607-2 | Сухарик | |
| 30 | Винт установочный [41-2168-1] | Винт установочный | |
| 31 | Шайба [01-2636] | Шайба | |
| 32 | Шпилька 8.37 [11371] | Шпилька 8.37 | |
| 33 | 22036 | Шпонка сегментная М10-Т0/6gх28.88.35.013 | |

