| № | Номер детали | Наименование детали | |
|---|---|---|---|
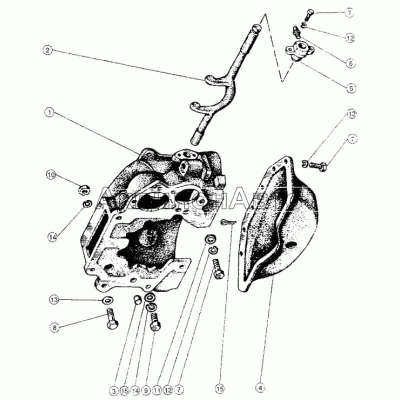
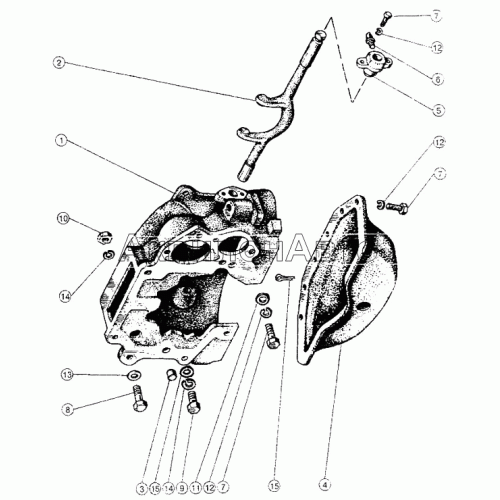
| 1 | 5301-1601012-10 | Картер сцепления | |
| 2 | 494560-1602046 | Вилка выключения сцепления | |
| 3 | 431900-1601067 | Штифт картера сцепления | |
| 4 | 431900-1601018 | Крышка картера | |
| 5 | 130-1602127 | Фланец вилки выключения сцепления | |
| 6 | 304817-П | Масленка | |
| 7 | 201499-П29 | Болт М10-6gх30 | |
| 8 | 200395-П29 | Болт М12х1 ,25-6gх50 | |
| 9 | 201540-П29 | Болт М12-6gх30 | |
| 10 | 250515-П29 | Гайка М12х1,25-6Н | |
| 11 | 252006-П29 | Шайба 10 |
Шайба 10
|
| 12 | 252136-П2 | Шайба 10.ОТ |
Шайба 10.ОТ
|
| 13 | 252007-П29 | Шайба 12 | |
| 14 | 252137-П2 | Шайба 12.ОТ |
Шайба 12.ОТ
|
| 15 | 258054-П29 | Шплинт 4х32 | |

