Пн-Чт: с 08:00 до 17:00 <br> Пт: с 08:00 до 16:00
+375 (29) 624-09-45

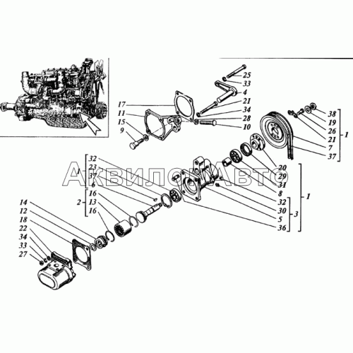
Установка гидронасоса

  • Установка гидронасоса
  • Модель: 31А (Каталог РСМ)
  • Цены и наличие уточняйте по телефонам
  • +375 (29) 655-44-22
  • +375 (29) 624-09-45

Номер детали Наименование детали
1 31А-26С2 Привод гидронасоса
2 31А-26С3 Муфта предохранительная
3 31А-26С4 Корпус привода
4 31А-26С5 Серьга
5 31А-2601 Корпус привода
6 31А-2602 Валик
7 31А-2603 Шкив
8 31А-2604 Втулка
9 31А-2607 Болт
10 31А-2608 Болт специальный
11 31А-2609-1 Кронштейн гидронасоса
12 31А-2610 Кольцо ограничительное
13 31А-2611 Муфта предохранительная
14 31А-2612 Втулка муфты
15 31А-2613 Шайба
16 31А-2614 Кольцо упорное
17 СМД2-2615-1 Прокладка
18 СМД2-2616-1 Прокладка
19 31А-1312 Шайба
20 60-13110.00 Ступица шкива вентилятора
21 60-13157.00 Шайба стопорная
22 14-2613 Насос шестеренный
22 НШ-32-3 Насос шестеренный
23 31А-2615 Кольцо упорное
24 М10-6gх95.88 Болт
25 М10-6gх110.88 Болт
26 М12-1,25-6gх25.88 Болт
27 М10-6Н.6 Гайка
28 М14-6Н.6 Гайка
29 1,2-45х65-1 Манжета
30 2.3.45Ц6 Масленка
31 180205 (6205.2RS) Подшипник
Подшипник Открыть фото
32 КГ1/8" Пробка
33 1065Г05 Шайба
34 10х1,5.04.05 Шайба
35 6х9 Шпонка сегментная
Шпонка сегментная
36 М10х28.56 Шпилька
37 1-14х13-1280 Ремень зубчатый

Написать отзыв

Примечание: HTML разметка не поддерживается! Используйте обычный текст.
  Хорошо     Плохо