| № | Номер детали | Наименование детали | |
|---|---|---|---|
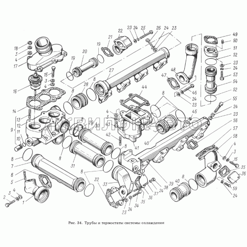
| 8423.1307010 | Насос водяной в сборе | ||
| 1 | 842.1303168-10 | Патрубок подводящий правого блока | |
| 2 | 201684-П29 | Болт | |
| 3 | 252136-П2 | Шайба 10 пружинная |
Шайба 10 пружинная
|
| 4 | 252006-П29 | Шайба плоская |
Шайба плоская
|
| 5 | 216526-П29 | Шпилька | |
| 6 | 841.1303163 | Прокладка патрубка | |
| 7 | 841.1303156 | Труба отводящая водяного насоса | |
| 9 | 841.1303177 | Коробка водяная в сборе | |
| 10 | 840.1003436 | Заглушка | |
| 11 | 238Н-1723031 | Кольцо уплотнительное | |
| 12 | 841.1303178 | Коробка водяная | |
| 13 | 216559-П29 | Шпилька | |
| 14 | 841.1303214 | Прокладка патрубка | |
| 15 | 201680-П29 | Болт | |
| 17 | 8423.1303130 | Патрубок водяной коробки | |
| 18 | 250517-П29 | Гайка | |
| 20 | 8423.1303296-10 | Труба соединительная | |
| 21 | 8423.1303311 | Прокладка патрубка | |
| 22 | 8423.1303308 | Патрубок отводящий | |
| 23 | 252005-П29 | Шайба плоская |
Шайба плоская
|
| 24 | 252135-П2 | Шайба пружинная | |
| 25 | 200272-П29 | Болт | |
| 26 | 201466-П29 | Болт М8х45 | |
| 27 | 84231303104-10 | Труба водяная правая | |
| 28 | 840.1303082 | Муфта соединительная | |
| 29 | 8401303272 | Кольцо запорное | |
| 30 | 841.1303256 | Муфта соединительная | |
| 31 | 841.1303088 | Труба перепускная | |
| 32 | 841.1303188 | Прокладка патрубка | |
| 33 | 841.1303240 | Патрубок перепускной трубы | |
| 34 | 201462-П29 | Болт М8х35 | |
| 35 | 236-1011296 | Прокладка переднего фланца |
Прокладка переднего фланца
|
| 36 | 240-1002402 | Заглушка водяного канала | |
| 37 | 216527-П29 | Шпилька | |
| 38 | 250511-П29 | Гайка | |
| 39 | 842.1303105-10 | Труба водяная левая | |
| 40 | 840.1303084 | Муфта соединительная | |
| 41 | 8423.1303174 | Патрубок подводящий водомасляного радиатора | |
| 42 | 216554-П2 | Шпилька | |
| 43 | 201682-П29 | Болт | |
| 44 | 841.1303175 | Прокладка патрубка | |
| 46 | 201468-П29 | Болт |
Болт
|
| 47 | 8423.1303276 | Прокладка патрубка | |
| 48 | 8423.1303278-10 | Патрубок подводящий охладителя | |
| 49 | 8423.1303312 | Прокладка патрубка | |
| 50 | 316608-П29 | Ввертыш | |
| 51 | 8423.1303292 | Патрубок охладителя | |
| 53 | 201460-П29 | Болт М8х30 | |
| 54 | 8423.1303284-10 | Труба подводящая охладителя | |
| 55 | 200270-П29 | Болт | |
| 56 | 84.1303268 | Прокладка водяной трубы | |
| 57 | 840.1303024 | Прокладка патрубка | |
| 58 | 841.1303160 | Патрубок подводящий левого блока | |
| 59 | 201458-П29 | Болт М8х25 | |

