- Модель: Общий (см. мод-ции)
- Цены и наличие уточняйте по телефонам
- +375 (29) 655-44-22
- +375 (29) 624-09-45
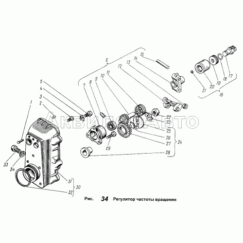
| № | Номер детали | Наименование детали | |
|---|---|---|---|
| 236-1110060-А2 | Муфта грузов в сборе | ||
| 236-1110065-Б | Пята упорная | ||
| 1 | 260003-П15 | Палец | |
| 2 | 258639-П5 | Штифт | |
| 3 | 311200-П29 | Винт | |
| 4 | 312529-П15 | Шайба стопорная | |
| 5 | 310139-П15 | Болт | |
| 6 | 236-1110040-А2 | Державка грузов со стаканом в сборе | |
| 7 | 236-1110558-В | Стакан подшипников валика державки | |
| 8 | 236-1110042 | Стопор пружинный | |
| 9 | 200 | Подшипник шариковый радиальный однорядный 10х30х9 | |
| 10 | 236-1110051-В | Валик державки грузов | |
| 11 | 46202 | Подшипник шариковый | |
| 12 | 236-1110045 | Груз регулятора в сборе | |
| 13 | 236-1110532 | Ролик груза регулятора | |
| 14 | 236-1110046-Б | Державка грузов | |
| 15 | 236-1110049 | Ось груза регулятора | |
| 16 | 60.1110060 | Муфта грузов в сборе | |
| 17 | 60.1110065 | Пята упорная | |
| 18 | 236-1110067 | Кольцо пружинное | |
| 19 | 8102 | Подшипник шариковый упорный однорядный 15х28х9 | |
| 20 | 60.1110062 | Муфта грузов | |
| 21 | 236-1110064 | Шарик 3 | |
| 22 | 250634-П15 | Гайка | |
| 23 | 312556-1115 | Шайба | |
| 24 | 236-1110512 | Демпфер | |
| 25 | 236-1110521 | Фланец втулки шестерни | |
| 26 | 236-1110517-Б2 | Сухарь шестерни | |
| 27 | 236-1110516-Б2 | Шестерня регулятора ведущая | |
| 28 | 236-1110518-Б | Втулка ведущей шестерни | |
| 29 | 310140-П15 | Болт | |
| 30 | 805.1110020 | Корпус регулятора в сборе | |
| 31 | 805.1110022 | Корпус регулятора | |
| 32 | 236-1111196 | Кольцо уплотнительное | |
| 33 | 236-1111032 | Ввертыш корпуса | |
| 34 | 312630-П | Шайба | |

