- Модель: ЯМЗ-240, 240Б, 240Н, 240П
- Цены и наличие уточняйте по телефонам
- +375 (29) 655-44-22
- +375 (29) 624-09-45
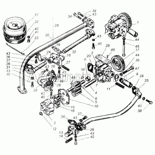
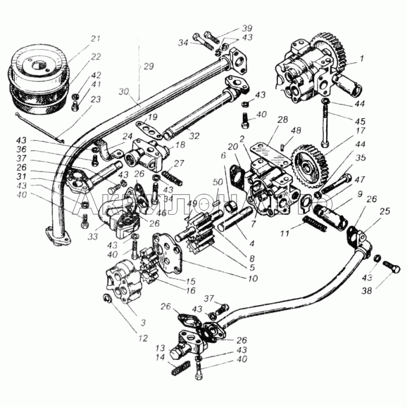
| № | Номер детали | Наименование детали | |
|---|---|---|---|
| 1 | 240Н-1011014-Б | Насос масляный в сборе | |
| 2 | 240-1011018-А | Корпус нагнетающей секции в сборе | |
| 3 | 240-1011019-А | Корпус радиаторной секции | |
| 4 | 240-1011025 | Ось ведомых шестерен | |
| 5 | 240-1011030 | Шестерня ведомая нагнетающей секции в сборе | |
| 6 | 240-1011034 | Втулка корпуса | |
| 7 | 240-1011037 | Втулка установочная | |
| 8 | 240Б-1011040 | Шестерня ведущая нагнетающей секции в сборе | |
| 9 | 240Н-1011048 | Клапан редукционный в сборе | |
| 10 | 240Н-1011049 | Проставка | |
| 11 | 236-1011058-Б | Пружина клапана | |
| 12 | 240-1011085 | Кольцо | |
| 13 | 240Н-1011092 | Клапан перепускной системы смазки в сборе | |
| 14 | 240Н-1011096 | Пружина клапана | |
| 15 | 240Б-1011100 | Шестерня ведущая радиаторной секции | |
| 16 | 240-1011110 | Шестерня радиаторной секции ведомая в сборе | |
| 17 | 240-1011230 | Шестерня привода масляного насоса | |
| 18 | 240Н-1011268-Б | Клапан регулировочный системы охлаждения поршней в сборе | |
| 19 | 240Н-1011274 | Прокладка клапана | |
| 20 | 236-1011296 | Прокладка переднего фланца |
Прокладка переднего фланца
|
| 21 | 204Б 1011300 | Чашка заборника | |
| 22 | 204А-1011310-В | Сетка заборника в сборе |
Сетка заборника в сборе
|
| 23 | 204А-1011318-Б | Крючок крепления сетки | |
| 24 | 236-1011322 | Скоба |
Скоба
|
| 25 | 240Н 1011351 | Трубка отводящая | |
| 26 | 236-1011358 | Прокладка | |
| 27 | 238Н-1011368 | Пружина клапана | |
| 28 | 240-1011380 | Прокладка регулировочная | |
| 29 | 240-1011398-А | Труба всасывающая | |
| 30 | 240-1011400-А | Труба всасывающая в сборе | |
| 31 | 240Н-1011406-Б | Труба отводящая в сборе | |
| 32 | 240Н-1011407-Б | Труба отводящая задняя в сборе | |
| 33 | 240Н-1011420-А | Труба отводящая радиаторной секции в сборе | |
| 34 | 200270-П2 | Болт М8х55 | |
| 35 | 200327-П2 | Болт М10х90 | |
| 36 | 201456-П2 | Болт М8х20 | |
| 37 | 201457-П2 | Болт М8х22 | |
| 38 | 201458-П2 | Болт М8х25 | |
| 39 | 201460-П2 | Болт М8х30 | |
| 40 | 201464-П2 | Болт М8х40 | |
| 41 | 206513-П2 | Болт М8х1х12 | |
| 42 | 252005-П2 | Шайба 8 | |
| 43 | 252135-П2 | Шайба пружинная | |
| 44 | 252136-П2 | Шайба 10 пружинная |
Шайба 10 пружинная
|
| 45 | 310220-П2 | Болт | |
| 46 | 312559-П2 | Шайба замковая | |
| 47 | 312571-П2 | Шайба замковая | |
| 48 | 313404-П2 | Штифт установочный 5х12 | |
| 49 | 314031-П2 | Шпонка сегментная | |
| 50 | 314123-П2 | Шпонка призматическая | |

