Пн-Чт: с 08:00 до 17:00 <br> Пт: с 08:00 до 16:00
+375 (29) 624-09-45

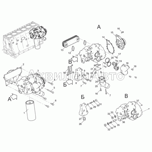
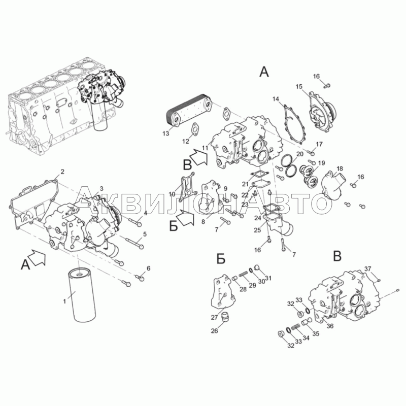
Модуль сервисный

  • Модуль сервисный
  • Модель: ЯМЗ-536-100
  • Цены и наличие уточняйте по телефонам
  • +375 (29) 655-44-22
  • +375 (29) 624-09-45

Номер детали Наименование детали
1 5340.1012075 Фильтр масляный W 11 102С
Фильтр масляный W 11 102С
2 5340.1013682-10 Прокладка сервисного модуля
Прокладка сервисного модуля
3 536.1013590-10 Модуль сервисный
4 8.9177 Болт М10-6gх80-8.8
5 8.9347 Болт М10-6gх120-8.8
6 8.9245 Болт М10-6gх45-8.8
7 8.9110 Болт М8-6gх60-8.8
8 5340.1012012 Корпус масляного фильтра с клапаном теплообменника
9 8.9064 Болт М8-6gх30-8.8
10 5340.1012100 Прокладка корпуса масляного фильтра
Прокладка корпуса масляного фильтра
11 5340.1013600-10 Модуль сервисный
12 5340.1013684 Прокладка теплопередающего элемента
Прокладка теплопередающего элемента
13 536.1013650 Элемент теплопередающий
14 5340.1307048 Прокладка водяного насоса
Прокладка водяного насоса
15 536.1307010-10 Насос водяной
17 8.9094 Болт М8-6gх40-8.8
18 5340.1303130-10 Патрубок отводящий
18 8.9062 Болт М8-6gх25-8.8
19 8.8831 Термостат Т 117-1306100-05
20 658.1306054-01 Уплотнитель термостата
Уплотнитель термостата
21 5340.1013762-10 Прокладка
Прокладка
22 5340.1013758-10 Заглушка
23 8.9089 Болт с подголовником М8х1,25-16 8.8
24 5340.1303121-10 Прокладка патрубка
Прокладка патрубка
25 5340.1303208-20 Патрубок подводящий
26 5340.1012127 Штуцер
27 5340.1012020 Корпус масляного фильтра
28 840.1011364 Клапан предохранительный
29 5340.1013397 Пружина перепускного клапана теплообменника
30 236-1011371 Прокладка
31 5340.1013629 Пробка клапана
32 316186-П29 Пробка
33 312768-П Шайба
34 5340.1011057-10 Пружина дифференциального клапана
35 5340.1011055-10 Клапан дифференциальный
36 5340.1013601 Корпус сервисного модуля
37 313457-П2 Штифт 8х12

Написать отзыв

Примечание: HTML разметка не поддерживается! Используйте обычный текст.
  Хорошо     Плохо