Пн-Чт: с 08:00 до 17:00 <br> Пт: с 08:00 до 16:00
+375 (29) 624-09-45

Механизм управления переключением передач

  • Механизм управления переключением передач
  • Модель: ЯМЗ-238БЕ
  • Цены и наличие уточняйте по телефонам
  • +375 (29) 655-44-22
  • +375 (29) 624-09-45

Номер детали Наименование детали
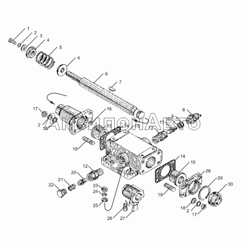
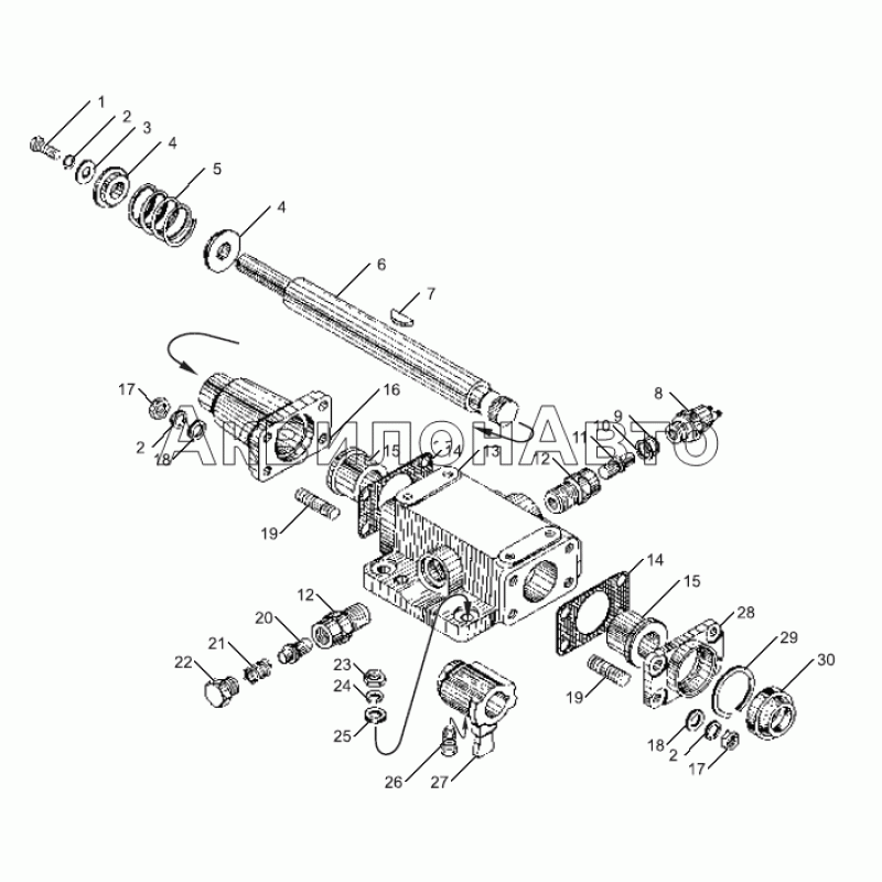
239.1702200 Механизм управления переключением передач в сборе
Механизм управления переключением передач в сборе
33.1702211 Корпус с манжетой в сборе
336.1702206-20 Корпус механизма управления со шпильками в сборе
1 201458-П29 Болт М8х25
2 252135-П2 Шайба пружинная
3 252038-П29 Шайба
4 336.1702233 Кольцо
5 336.1702236 Пружина валика большая
6 239.1702221 Валик
Валик
7 45 9824 6265 Шпонка
8 45 7373 4914 Выключатель ВК-4 03Б-3716000
9 312309-П29 Шайба
10 312367-П2 Шайба
11 336.1702089-10 Стопор
12 336.1702083-10 Корпус фиксатора
13 336.1702209-20 Корпус механизма
14 336.1702244 Прокладка стакана
15 33.1702217 Опора валика
16 336.1702243-20 Стакан
17 250511-П29 Гайка
18 252005-П2 Шайба 8
19 216527-П29 Шпилька
20 336.1702086-10 Стопор
21 201.1722051 Пружина
22 316172-П29 Пробка
23 250513-П29 Гайка
24 252136-П2 Шайба 10 пружинная
Шайба 10 пружинная
25 252006-П29 Шайба плоская
Шайба плоская
26 336.1702047 Винт установочный
27 336.1702222-20 Рычаг переключения передач
Рычаг переключения передач
28 33.1702214 Корпус
29 33.1702219 Кольцо пружинное упорное
30 201.1702276 Манжета

Написать отзыв

Примечание: HTML разметка не поддерживается! Используйте обычный текст.
  Хорошо     Плохо