- Модель: Общий (см. мод-ции)
- Цены и наличие уточняйте по телефонам
- +375 (29) 655-44-22
- +375 (29) 624-09-45
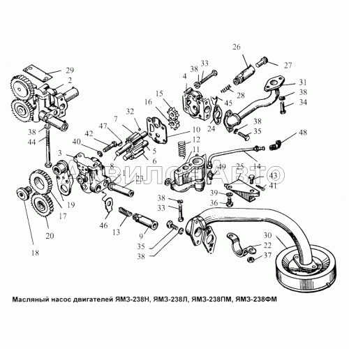
| № | Номер детали | Наименование детали | |
|---|---|---|---|
| 236-1011014-В3 | Насос масляный в сборе | ||
| 238В-1011398-Б | Трубка всасывающая | ||
| 1 | 240-1005586 | Кольцо уплотнительное | |
| 2 | 236-1011014-В2 | Насос масляный | |
| 3 | 236-1011018-Г | Корпус нагнетающей секции | |
| 4 | 236-1011019-В | Корпус радиаторной секции | |
| 5 | 240-1011025 | Ось ведомых шестерен | |
| 6 | 236-1011030-Б | Шестерня ведомая нагнетающей секции в сборе | |
| 7 | 236-1011040-Б | Шестерня ведущая нагнетающей секции в сборе | |
| 8 | 236-1011042-Б | Валик ведущий | |
| 9 | 236-1011048-Б | Клапан нагнетающей секции редукционный в сборе |
Клапан нагнетающей секции редукционный в сборе
|
| 10 | 236-1011049 | Проставка | |
| 11 | 236-1011056-А | Клапан дифференциальный в сборе |
Клапан дифференциальный в сборе
|
| 12 | 240-1011057 | Пружина клапана дифференциального | |
| 13 | 236-1011058-Б | Пружина клапана | |
| 14 | 236-1011098-Б3 | Трубка дифференциального клапана подводящая |
Трубка дифференциального клапана подводящая
|
| 15 | 236-1011100 | Шестерня ведущая радиаторной секции | |
| 16 | 236-1011114 | Шестерня ведомая радиаторной секции | |
| 17 | 236-1011202-А | Шестерня промежуточная привода | |
| 18 | 236-1011205 | Фланец упорный с пробкой в сборе | |
| 19 | 236-1011208-В | Ось промежуточной шестерни | |
| 20 | 236-1011230-А | Шестерня ведомая | |
| 21 | 236-1011296 | Прокладка переднего фланца |
Прокладка переднего фланца
|
| 22 | 236-1011322 | Скоба |
Скоба
|
| 23 | 236-1011352-В | Трубка нагнетающей секции отводящая | |
| 24 | 236Т-1011358-А | Трубка отводящая | |
| 25 | 238В-1011320-Б | Прокладка | |
| 26 | 236-1011363-Б | Клапан предохранительный радиаторной секции | |
| 27 | 236-1011364 | Плунжер клапана | |
| 28 | 236-1011368-Б | Пружина предохранительного клапана | |
| 29 | 236-1011380 | Прокладка регулировочная |
Прокладка регулировочная
|
| 30 | 238Ф-1011398 | Трубка всасывающая | |
| 31 | 236-1011420-В | Трубка радиаторной секции отводящая |
Трубка радиаторной секции отводящая
|
| 32 | 201-1015434 | Шарик стопорный | |
| 33 | 200270-П2 | Болт М8х55 | |
| 34 | 201457-П3 | Болт | |
| 35 | 201458-П29 | Болт М8х25 | |
| 36 | 201495-П2 | Болт | |
| 37 | 250976-П2 | Гайка | |
| 38 | 252135-П2 | Шайба пружинная | |
| 39 | 252136-П2 | Шайба 10 пружинная |
Шайба 10 пружинная
|
| 40 | 252137-П2 | Шайба пружинная |
Шайба пружинная
|
| 41 | 258013-П29 | Шплинт | |
| 42 | 310156-П2 | Болт | |
| 43 | 310248-П2 | Болт М8х1-6gх18 | |
| 44 | 3102Б4-П2 | Болт | |
| 45 | 312659-П2 | Шайба | |
| 46 | 312571-П2 | Шайба замковая | |
| 47 | 314005-П2 | Шпонка | |
| 48 | 314537-П | Угольник | |
| 49 | 314612-П29 | Штуцер | |


