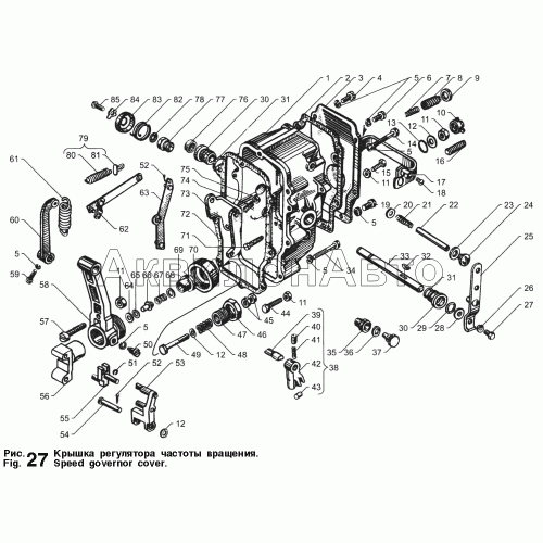
| № |
Номер детали |
Наименование детали |
| 1 |
60.1110129 |
Крышка регулятора |
|
| 2 |
236-1110499-А3 |
Прокладка крышки смотрового люка |
|
| 3 |
805.1110498 |
Крышка смотрового люка |
|
| 4 |
852380-П15 |
Винт |
|
| 5 |
252154-П29 |
Шайба пружинная |
|
| 6 |
310600-П15 |
Винт |
|
| 7 |
236-1110490 |
Пружина буферная |
|
| 8 |
60.1110492-10 |
Корпус буферной пружины |
|
| 9 |
311511-П15 |
Гайка |
|
| 10 |
852920 |
Гайка колпачковая |
|
| 11 |
250508-П29 |
Гайка М6 |
|
| 12 |
312370-П29 |
Шайба |
|
| 13 |
2531113013 |
Кольцо 005-008-19-2-2 |
|
| 14 |
310612-П15 |
Винт |
|
| 15 |
852003-П15 |
Болт |
|
| 16 |
236-1110200 |
Винт регулировочный |
|
| 17 |
80.1110380-01 |
Скоба кулисы в сборе |
|
| 18 |
852000-П29 |
Болт |
|
| 19 |
310611-П15 |
Винт |
|
| 20 |
312700-П15 |
Шайба |
|
| 21 |
236-1110089 |
Пружина компенсационная |
|
| 22 |
236-1110088 |
Ось рычагов |
|
| 23 |
852205 |
Шайба |
|
| 24 |
852369-П15 |
Винт-заглушка |
|
| 25 |
236-1110151 |
Рычаг управления регулятором |
|
| 26 |
252134-П29 |
Шайба пружинная |
|
| 27 |
201418-П29 |
Болт М6х16 |
|
| 28 |
312347-П15 |
Шайба |
|
| 29 |
236-1110482 |
Кольцо уплотнительное |
|
| 30 |
236-1110476-Б |
Втулка вала рычага пружины |
|
| 31 |
236-1110479 |
Кольцо уплотнительное втулки вала рычага |
|
| 32 |
314003-П |
Шпонка сегментная |
|
| 33 |
60.1110467-20 |
Вал рычага пружины |
|
| 34 |
852381-П15 |
Винт |
|
| 35 |
236-1110392 |
Ввертыш оси скобы |
|
| 36 |
236-1110390 |
Ось скобы |
|
| 37 |
852204 |
Шайба |
|
| 38 |
60.1110130 |
Кулиса в сборе |
|
| 39 |
236-1110136-Б |
Ось кулисы |
|
| 40 |
236-1110372-Б |
Фиксатор кулисы |
|
| 41 |
236-1110374-Б |
Пружина фиксатора |
|
| 42 |
60.1110132 |
Кулиса |
|
| 43 |
60.1110220-02 |
Ползун кулисы |
|
| 44 |
310142-П15 |
Болт регулировочный |
|
| 45 |
852510 |
Гайка |
|
| 46 |
311512-П15 |
Гайка |
|
| 47 |
240Б-1110416 |
Корпус пружины корректора |
|
| 48 |
33.1110414 |
Пружина корректора |
|
| 49 |
423.1110412 |
Корректор |
|
| 50 |
852351-П15 |
Винт стопорный |
|
| 51 |
60.1110418 |
Кольцо пружинное |
|
| 52 |
258012-П15 |
Шплинт |
|
| 53 |
60.1110266 |
Рычаг корректора со штифтом в сборе |
|
| 54 |
852780-П15 |
Палец |
|
| 55 |
60.1110223-02 |
Кулиса корректора |
|
| 56 |
60.1110263 |
Втулка корректора в сборе |
|
| 57 |
852350-П15 |
Винт |
|
| 58 |
805.1110406 |
Рычаг регулятора |
|
| 59 |
201418-П15 |
Болт |
|
| 60 |
236-1110466-А |
Рычаг пружины |
|
| 61 |
236-1110462 |
Пружина регулятора |
|
| 62 |
236-1110454 |
Тяга рейки с планкой в сборе |
|
| 63 |
60.1110441-01 |
Рычаг рейки |
|
| 64 |
236-1110140 |
Шайба регулировочная |
|
| 65 |
236-1110141 |
Шайба регулировочная |
|
| 66 |
60.1110264 |
Упор пружины |
|
| 67 |
240Б-1110414-Б |
Пружина корректора |
|
| 68 |
312652-П15 |
Шайба регулировочная |
|
| 69 |
852881-П |
Пробка |
|
| 70 |
852503-П15 |
Гайка |
|
| 71 |
852372 |
Винт |
|
| 72 |
236-1110154-А |
Прокладка крышки регулятора |
|
| 73 |
236-1110080 |
Рычаг двуплечий |
|
| 74 |
852364-П15 |
Винт |
|
| 75 |
250511-П15 |
Гайка |
|
| 76 |
313955-П15 |
Заглушка |
|
| 77 |
236-1110134-Б |
Ввертыш оси кулисы |
|
| 78 |
236-1110394 |
Кольцо уплотнительное в сборе |
|
| 79 |
60.1110438 |
Пружина рычага рейки с зацепом в сборе |
|
| 80 |
60.1110448 |
Пружина рычага рейки |
|
| 81 |
60.1110449 |
Зацеп пружины с планкой и щитком |
|
| 82 |
236-1110396 |
Пружина скобы кулисы возвратная |
|
| 83 |
236-1110398 |
Крышка возвратной пружины |
|
| 84 |
236-1110262 |
Шайба скобы кулисы |
|
| 85 |
201416-П29 |
Болт М6х12 |
|