| № |
Номер детали |
Наименование детали |
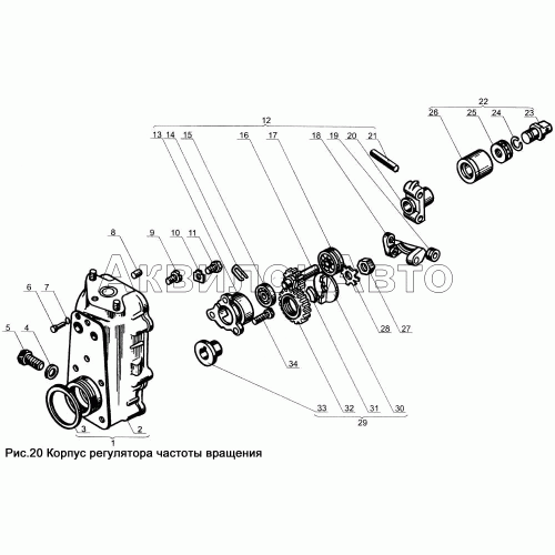
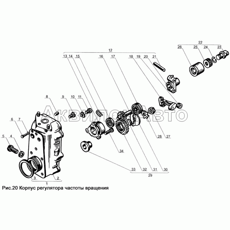
| 1 |
807.1110020 |
Корпус регулятора в сборе |
|
| 2 |
807.1110022 |
Корпус регулятора |
|
| 3 |
236-1111196 |
Кольцо уплотнительное |
|
| 4 |
312630-П |
Шайба |
|
| 5 |
236-1111032 |
Ввертыш корпуса |
|
| 6 |
260003-П15 |
Палец |
|
| 7 |
25 3111 3013 |
Кольцо 005-008-19-2-2 |
|
| 8 |
258639-П15 |
Штифт |
|
| 9 |
311200-П29 |
Винт |
|
| 10 |
312529-П15 |
Шайба стопорная |
|
| 11 |
310139-П15 |
Болт |
|
| 12 |
236-1110040-А2 |
Державка грузов со стаканом в сборе |
|
| 13 |
236-1110558-В |
Стакан подшипников валика державки |
|
| 14 |
236-1110042 |
Стопор пружинный |
|
| 15 |
200 |
Подшипник шариковый радиальный однорядный 10х30х9 |
|
| 16 |
236-1110051-В |
Валик державки грузов |
|
| 17 |
202 |
Подшипник шариковый радиальный однорядный |
Подшипник шариковый радиальный однорядный
202
Подшипник шариковый радиальный однорядный
|
| 18 |
236-1110045 |
Груз регулятора в сборе |
|
| 19 |
236-1110532 |
Ролик груза регулятора |
|
| 20 |
236-1110046-Б |
Державка грузов |
|
| 21 |
236-1110049 |
Ось груза регулятора |
|
| 22 |
236-1110060-А3 |
Муфта грузов в сборе |
|
| 23 |
236-1110065-Б |
Пята упорная |
|
| 24 |
236-1110067 |
Кольцо пружинное |
|
| 25 |
8102 |
Подшипник шариковый упорный однорядный 15х28х9 |
|
| 26 |
60.1110062-02 |
Муфта грузов |
|
| 27 |
250634-П15 |
Гайка |
|
| 28 |
312556-П15 |
Шайба стопорная |
|
| 29 |
236-1110512 |
Демпфер |
|
| 30 |
236-1110521 |
Фланец втулки шестерни |
|
| 31 |
236-1110517-Б2 |
Сухарь шестерни |
|
| 32 |
236-1110516-Б3 |
Шестерня |
|
| 33 |
236-1110518-Б |
Втулка ведущей шестерни |
|
| 34 |
310140-П15 |
Болт |
|