Личный кабинет
Регистрация
Авторизация
Закладки (0)
Корзина
Оформление заказа
Пн-Чт: с 08:00 до 17:00 <br> Пт: с 08:00 до 16:00
+375 (29) 655-44-22
+375 (29) 624-09-45
Категории
Каталог
ГАЗ
МАЗ
ЗИЛ
Товары народного потребления
Запасные части
ПАЗ
Схемы
Показать все
О нас
Оплата
Доставка
Контакты
Схемы
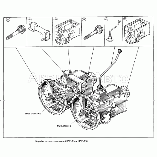
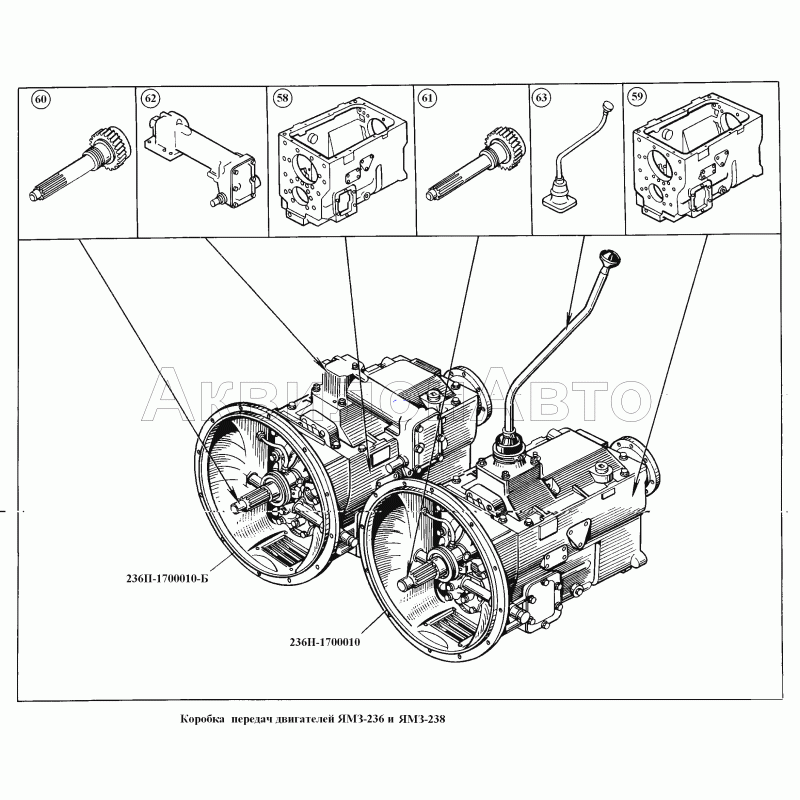
Коробка передач двигателей ЯМЗ-236 и ЯМЗ-238
Коробка передач двигателей ЯМЗ-236 и ЯМЗ-238
0 отзывов
/
Написать отзыв
Модель: ЯМЗ-236, -238, -238НБ
Цены и наличие уточняйте по телефонам
+375 (29) 655-44-22
+375 (29) 624-09-45
Описание
Отзывов (0)
№
Номер детали
Наименование детали
236Н-1700010
Коробка передач
236П-1700010-Б
Коробка передач
Написать отзыв
Ваше имя:
Ваш отзыв:
Примечание:
HTML разметка не поддерживается! Используйте обычный текст.
Оценка:
Хорошо
Плохо
Продолжить