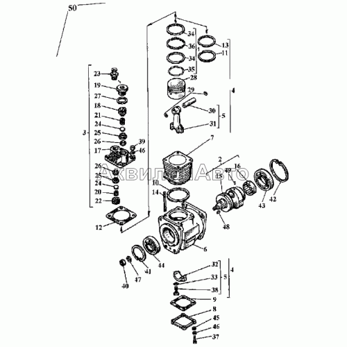
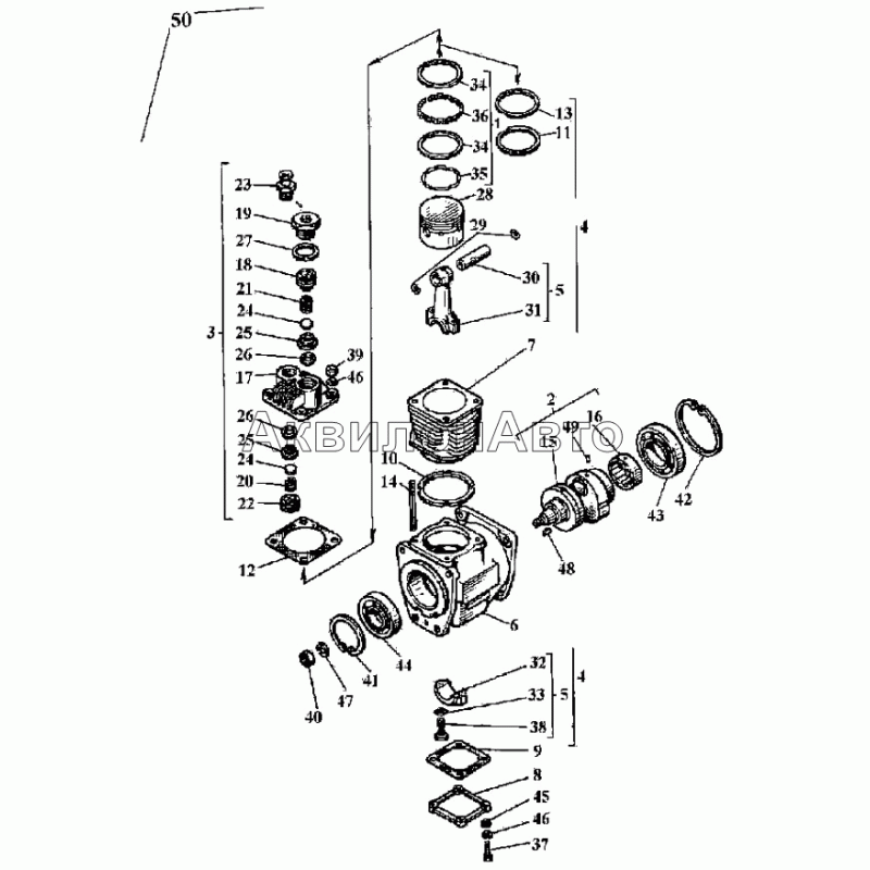
| № | Номер детали | Наименование детали | |
|---|---|---|---|
| 1 | А27.12.40.000 | Кольцо маслосъемное | |
| 2 | А29.02.040Б | Вал коленчатый | |
| 3 | А29.01.050-02 | Головка цилиндра | |
| 4 | А29.05.100 | Поршень и шатун | |
| 5 | А29.05.170 | Шатун | |
| 6 | А29.02.001-02 | Картер | |
| 7 | А29.01.002-02 | Цилиндр | |
| 8 | А29.02.003-02 | Крышка | |
| 9 | А29.02.004-01 | Прокладка | |
| 10 | А29.01.006-01 | Прокладка | |
| 11 | А27.02.03.007 | Кольцо | |
| 12 | А29.01.008-01 | Прокладка | |
| 13 | А27.02.03.008 | Кольцо | |
| 14 | А29.01.023-01 | Шпилька | |
| 15 | А29.02.041Б | Вал коленчатый | |
| 16 | А29.02.042 | Втулка | |
| 17 | А29.01.051-02 | Головка цилиндра | |
| 18 | А29.01.052 | Корпус | |
| 19 | А29.01.053-02 | Пробка | |
| 20 | А29.01.055-01 | Пружина | |
| 21 | А29.01.056-01 | Пружина | |
| 22 | А29.01.058 | Корпус | |
| 23 | А29.01.059-02 | Штуцер | |
| 24 | А29.01.061 | Клапан | |
| 25 | А29.01.062 | Седло | |
| 26 | А29.01.063-01 | Прокладка | |
| 27 | А29.01.064А-01 | Прокладка | |
| 28 | А29.05.101 | Поршень | |
| 29 | А29.05.102 | Кольцо | |
| 30 | А29.05.103 | Палец | |
| 31 | А29.05.171 | Шатун | |
| 32 | А29.05.172 | Крышка | |
| 33 | А29.05.173 | Втулка | |
| 34 | А27.12.40.509 | Сегмент | |
| 35 | А27.12.40.510 | Расширитель | |
| 36 | А29.12.40.511 | Расширитель | |
| 37 | М8.6х20.88.35.019 | Болт | |
| 38 | М8.6х35.88.35.019 | Болт | |
| 39 | М8х1.6Н.8.45.019 | Гайка | |
| 40 | М14х1,5.6Н.35.06 | Гайка | |
| 41 | КУВ-72 | Кольцо | |
| 42 | ВУВ-95 | Кольцо | |
| 43 | 112 | Подшипник | |
| 44 | 60207 | Подшипник | |
| 45 | 8.04.019 | Шайба | |
| 46 | 8Т.65Г.06 | Шайба | |
| 47 | 14.0Т.65Г.06 | Шайба | |
| 48 | 4х6,5 | Шпонка | |
| 49 | 6h8х12 | Штифт | |
| 50 | А29.02.000Б-02 | Компрессор | |

