| № | Номер детали | Наименование детали | |
|---|---|---|---|
| 840.1007190 | Ролик толкателя | ||
| 840.1007194 | Ось ролика толкателя | ||
| 840.1007199 | Втулка ролика толкателя | ||
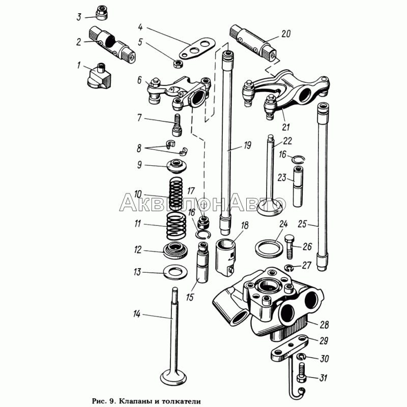
| 1 | 840.1007106 | Стойка оси коромысла впускных клапанов | |
| 2 | 840.1007091-10 | Ось коромысла впускных клапанов | |
| 3 | 311905-П2 | Гайка | |
| 4 | 840.1007136 | Пластина стойки | |
| 5 | 311526-П2 | Гайка | |
| 6 | 840.1007114-10 | Коромысло впускных клапанов | |
| 7 | 840.1007147-01 | Винт регулировочный | |
| 8 | 740.1007028 | Сухарь клапана | |
| 9 | 840.1007024 | Тарелка | |
| 10 | 840.1007021 | Пружина внутренняя | |
| 11 | 840.1007020 | Пружина наружная | |
| 12 | 840.1007027 | Шайба внутренней пружины | |
| 13 | 840.1007022 | Шайба наружной пружины | |
| 14 | 840.1007010-11 | Клапан впускной | |
| 15 | 840.1007032-01 | Втулка направляющая впускного клапана | |
| 16 | 840.1007034 | Кольцо запорное | |
| 17 | 740.1007262-01 | Манжета впускного клапана | |
| 18 | 840.1007180-10 | Толкатель в сборе | |
| 19 | 840.1007174-01 | Штанга толкателя впускных клапанов | |
| 20 | 840.1007100-10 | Ось коромысла выпускных клапанов | |
| 21 | 840.1007144-10 | Коромысло выпускных клапанов | |
| 22 | 840.1007012-12 | Клапан выпускной | |
| 23 | 840.1007033-01 | Втулка направляющая выпускного клапана | |
| 24 | 840.1007258 | Кольцо уплотнительное | |
| 25 | 840.1007176-01 | Штанга толкателя выпускных клапанов | |
| 26 | 310024-П | Болт | |
| 27 | 252006-П29 | Шайба плоская |
Шайба плоская
|
| 28 | 8401.1007250-10 | Направляющая толкателей | |
| 29 | 8401.1004118-01 | Форсунка охлаждения поршней | |
| 30 | 252135-П2 | Шайба пружинная | |
| 31 | 201464-П29 | Болт М8х40 | |

