| № | Номер детали | Наименование детали | |
|---|---|---|---|
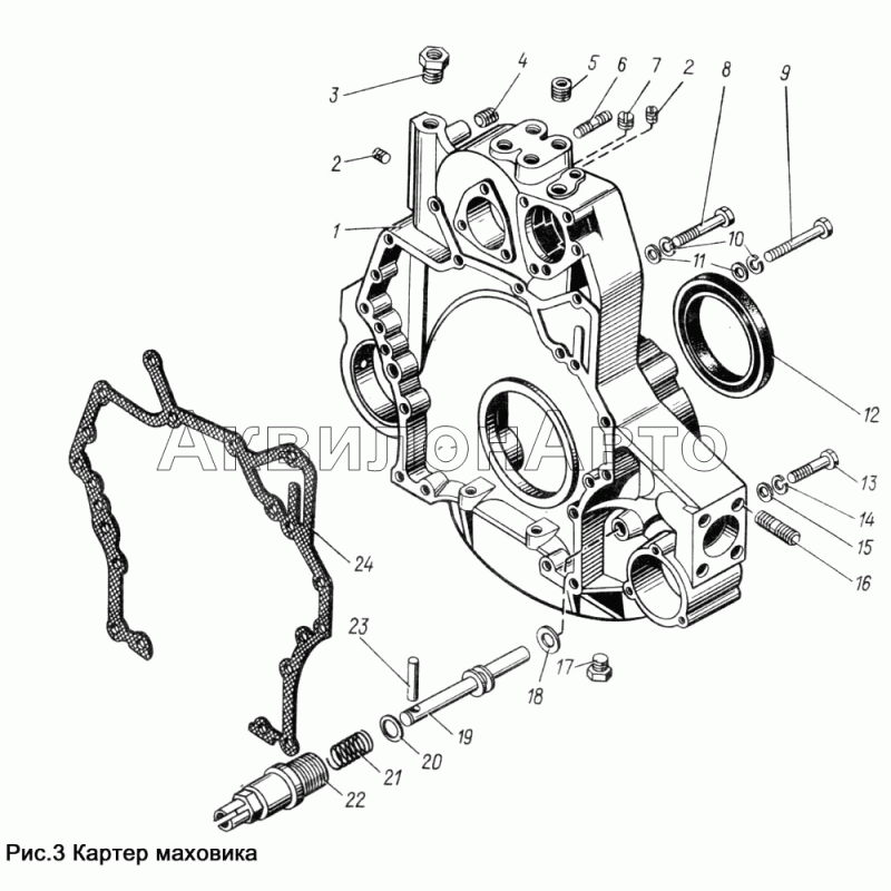
| 8423.1002310-20 | Картер маховика в сборе | ||
| 1 | 8423.1002312-20 | Картер маховика | |
| 3 | 316615-П29 | Ввертыш | |
| 4 | 316621-П29 | Ввертыш | |
| 5 | 316620-П29 | Ввертыш | |
| 6 | 216564-П29 | Шпилька | |
| 8 | 200467-П29 | Болт | |
| 9 | 200471-П29 | Болт | |
| 10 | 252136-П2 | Шайба 10 пружинная |
Шайба 10 пружинная
|
| 11 | 252006-П29 | Шайба плоская |
Шайба плоская
|
| 12 | 840.1005160 | Манжета задняя в сборе | |
| 13 | 200404-П29 | Болт |
Болт
|
| 14 | 252137-П2 | Шайба пружинная |
Шайба пружинная
|
| 15 | 252007-П29 | Шайба плоская | |
| 16 | 216626-П29 | Шпилька | |
| 17 | 316172-П2 | Пробка | |
| 18 | 312766-П | Прокладка | |
| 19 | 840.1005442 | Фиксатор маховика | |
| 20 | 238Н-1722063 | Кольцо уплотнительное | |
| 21 | 840.1005446 | Пружина фиксатора | |
| 22 | 840.1005444 | Корпус фиксатора | |
| 23 | 313412-П29 | Штифт | |
| 24 | 8423.1002314 | Прокладка | |

