Пн-Чт: с 08:00 до 17:00 <br> Пт: с 08:00 до 16:00
+375 (29) 624-09-45

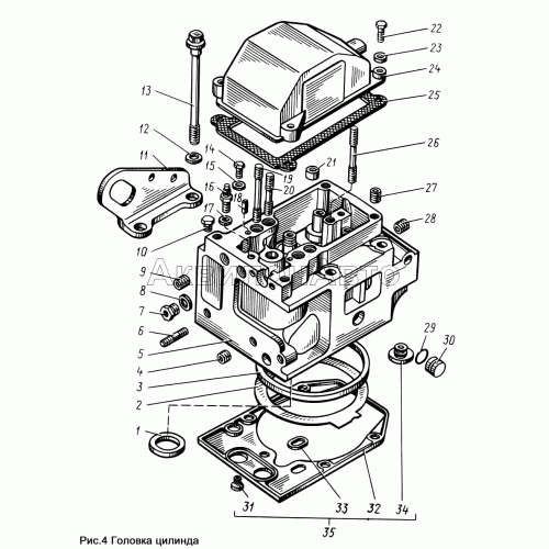
Головка цилиндров

  • Головка цилиндров
  • Модель: ЯМЗ-8423.10
  • Цены и наличие уточняйте по телефонам
  • +375 (29) 655-44-22
  • +375 (29) 624-09-45

Номер детали Наименование детали
1 840.1003108 Седло клапана
2 840.1003212-30 Прокладка головки
3 840.1003466 Кольцо уплотнительное газового стыка
4 316601-П29 Ввертыш
5 840.1003013-10 Головка цилиндра в сборе
6 216527-П29 Шпилька
7 316603-П29 Ввертыш
8 201-1015624 Прокладка
Прокладка
9 316600-П29 Ввертыш
10 316121-П29 Пробка К 1/4"
11 841-1002351 Рым
11 841.1002350 Рым
12 312693-П29 Шайба
13 840.1003016 Болт крепления головки
14 201454-П29 Болт М8х16
15 312638-П Шайба
16 840.1104918 Ниппель
17 312482-П34 Шайба
18 258639-П Штифт
19 310450-П2 Шпилька
20 310467-П2 Шпилька
21 840.1007095 Втулка-штифт
22 201464-П29 Болт М8х40
23 252005-П29 Шайба плоская
Шайба плоская
24 840.1003264 Крышка головки
25 840.1003270 Прокладка крышки
26 310468-П2 Шпилька
27 316608-П29 Ввертыш
28 316602-П Ввертыш
29 238Н-1723031 Кольцо уплотнительное
30 840.1003436 Заглушка
31 840.1003510 Вставка уплотнительная
32 840.1003505 Прокладка уплотнительная
33 840.1003506 Вставка уплотнительная
34 840.1003508 Вставка уплотнительная
35 840.1003514 Прокладка уплотнительная и вставки на одну головку (комплект для запасных частей)

Написать отзыв

Примечание: HTML разметка не поддерживается! Используйте обычный текст.
  Хорошо     Плохо