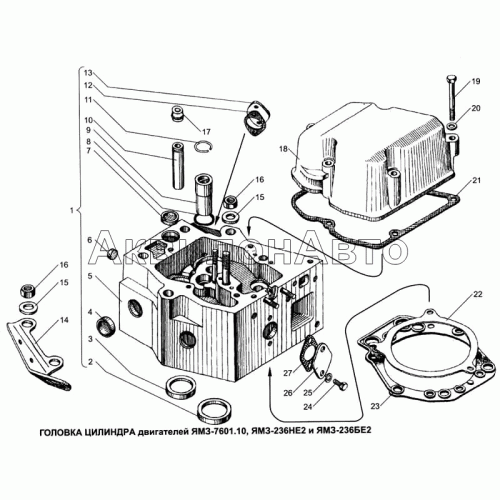
- Модель: ЯМЗ-236 НЕ, 236 БЕ, 7601.10
- Цены и наличие уточняйте по телефонам
- +375 (29) 655-44-22
- +375 (29) 624-09-45
| № | Номер детали | Наименование детали | |
|---|---|---|---|
| 7511.1003013 | Головка цилиндра в сборе (для запасных частей) | ||
| 7511.1003212-10 | Прокладка головки цилиндра толщиной 1,1-0,06 мм | ||
| 7511.1003212-20 | Прокладка головки цилиндра толщиной 1,3-0,06 мм | ||
| 7511.1003212-30 | Прокладка головки цилиндра толщиной 1,5-0,08 мм | ||
| 7511.1003260 | Крышка головки цилиндра с сапуном в сборе | ||
| 7511.1003331 | Рым | ||
| 1 | 7511.1003012 | Головка цилиндра с втулками в сборе | |
| 2 | 7511.1003108 | Седло впускного клапана |
Седло впускного клапана
|
| 3 | 7511.1003110 | Седло выпускного клапана |
Седло выпускного клапана
|
| 4 | 313992-П | Заглушка |
Заглушка
|
| 5 | 7511.1003014 | Головка цилиндра с вставкой в сборе | |
| 6 | 7511.1003436 | Заглушка | |
| 7 | 313934-П | Заглушка | |
| 8 | 2531116148 | Кольцо 029-035-36-2-5 | |
| 9 | 7511.1003112 | Стакан форсунки | |
| 10 | 236-1007032-БР | Втулка клапана направляющая | |
| 11 | 7511.1003115 | Кольцо запорное | |
| 12 | 236-1011296 | Прокладка переднего фланца |
Прокладка переднего фланца
|
| 13 | 236-1002402 | Заглушка | |
| 14 | 7511.1003330 | Рым | |
| 15 | 312399-П29 | Шайба | |
| 16 | 311423-П5 | Гайка |
Гайка
|
| 17 | 236-1007262 | Манжета уплотнительная впускного клапана в сборе | |
| 18 | 7511.1003264 | Крышка головки цилиндра | |
| 19 | 200274-П29 | Болт М8х75 | |
| 20 | 252005-П29 | Шайба плоская |
Шайба плоская
|
| 21 | 7511.1003270 | Прокладка крышки головки | |
| 22 | 7511.1003212-40 | Прокладка головки цилиндра толщиной 1,7-0,08 мм | |
| 23 | 7511.1003213 | Прокладка уплотнительная головки цилиндра | |
| 24 | 201454-П29 | Болт М8х16 | |
| 25 | 252135-П2 | Шайба пружинная | |
| 26 | 236-1002404 | Заглушка |
Заглушка
|
| 27 | 201-1306075-А | Прокладка | |


