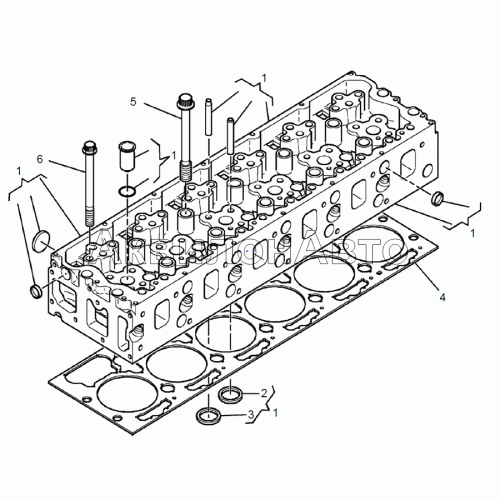
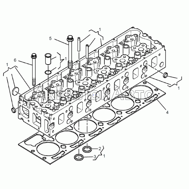
- Модель: ЯМЗ-650.10 (Евро 3)
- Цены и наличие уточняйте по телефонам
- +375 (29) 655-44-22
- +375 (29) 624-09-45
| № | Номер детали | Наименование детали | |
|---|---|---|---|
| 1 | 650.1003012 | Головка блока цилиндров в сборе | |
| 2 | 650.1003108 | Седло клапана впускного | |
| 3 | 650.1003110 | Седло клапана выпускного | |
| 4 | 650.1003210 | Прокладка головки блока цилиндров |
Прокладка головки блока цилиндров
|
| 5 | 650.1003016 | Болт M20х215 |
Болт M20х215
|
| 6 | 650.1003017 | Болт M14х190 |
Болт M14х190
|

