| № | Номер детали | Наименование детали | |
|---|---|---|---|
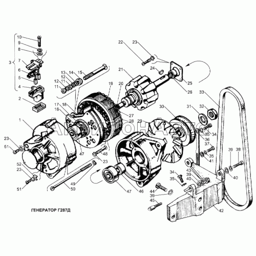
| Генератор Г287Д | Генератор Г287Д | ||
| 1 | Г287-3701301 | Крышка со стороны контактных колец | |
| 2 | Г287-3701307 | Прокладка уплотнительная | |
| 3 | Г272-3701010-01 | Щеткодержатель в сборе | |
| 4 | Г272-3701011 | Щеткодержатель | |
| 5 | Г272-3701020-А | Щетка в сборе | |
| 6 | Г272-3701030-А | Щетка в сборе | |
| 7 | Г272-3701012-А | Крышка щеткодержателя | |
| 8 | 8Х-1497А | Шайба | |
| 9 | М11-41081 | Шайба пружинная | |
| 10 | Г250Е1-3701016 | Болт | |
| 11 | 8Х-1537М | Гайка | |
| 12 | МХ-0246-01 | Шайба 8 пружинная | |
| 13 | 1МЮ-37 | Шайба | |
| 14 | Г287-3701319 | Втулка изоляционная | |
| 15 | НО-0801-10 | Болт контактный | |
| 16 | Г287-3701305-А | Кольцо уплотнительное контактное | |
| 17 | Г21-3701005 | Чашка ротора | |
| 18 | 34 1791 3000 | Блок БПВ 7-100-02 | |
| 19 | Г288-3701100-А | Статор | |
| 20 | Г210-3701202 | Кольцо разрезное | |
| 21 | Г288-3701200 | Ротор | |
| 22 | 7Х-4066 | Винт | |
| 23 | Х-4001-01 | Шайба пружинная | |
| 24 | 15Х-4148 | Шпонка | |
| 25 | Г287-3701405 | Шайба специальная | |
| 26 | Г287-3701053 | Втулка распорная | |
| 27 | Г288-3701130 | Фаза статора | |
| 28 | Г288-3701132 | Фаза статора | |
| 29 | Г287-3701055-А | Вентилятор | |
| 30 | Г288А-3701051 | Шкив генератора Г-287Е | |
| 31 | Г287-3701074 | Шайба | |
| 32 | МХ-0235-01 | Гайка | |
| 34 | 201456-П29 | Болт М8-6gх20 | |
| 35 | 252135-П2 | Шайба пружинная | |
| 36 | 240Б-3701790-Б | Планка натяжная генератора | |
| 37 | 201458-П29 | Болт М8х25 | |
| 38 | 201505-П29 | Болт М10х45 | |
| 39 | 252136-П2 | Шайба 10 пружинная |
Шайба 10 пружинная
|
| 40 | 252006-П29 | Шайба плоская |
Шайба плоская
|
| 41 | 252038-П29 | Шайба | |
| 42 | 240Б-3701774-Б | Кронштейн крепления генератора | |
| 43 | 250512-П29 | Гайка | |
| 44 | 201499-П29 | Болт 10-6gх30 | |
| 45 | 238-3701780 | Палец крепления генератора | |
| 46 | Г287-3701054 | Втулка | |
| 48 | МХ-0139 | Винт | |
| 49 | Х-1482-01 | Шайба пружинная | |
| 50 | НО-0102 | Винт М6 | |
| 51 | Х-4237-01 | Винт М5 | |
| 52 | Г250-3701053-01 | Скоба | |

