| № | Номер детали | Наименование детали | |
|---|---|---|---|
| 200221-П29 | Болт М6-6gх60 | ||
| 201417-П29 | Болт М6-6gх14 ОСТ 37.001.123-96 | ||
| 201453-П29 | Болт М8-6gх14 | ||
| 250508-П29 | Гайка М6-6Н ОСТ 37.001.124-93 | ||
| 252004-П29 | Шайба 6 ОСТ 37.001.144-96 | ||
| 252154-П2 | Шайба 6Л ОСТ 37.001.115-75 | ||
| 297506-П29 | Скоба 16 | ||
| 297515-П29 | Скоба | ||
| 297516-П29 | Скоба 24 | ||
| 45 9432 1106 | Винт М6-6gх10 | ||
| 45 9952 6092 | Шайба 6 | ||
| 45 9952 6205 | Шайба 8 | ||
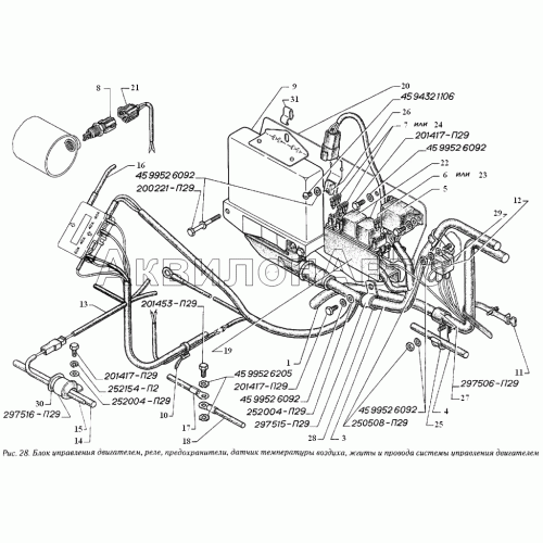
| 1 | 330242-3724015 | Жгут 1 (вх. в 2705-3724103-122) | |
| 2 | 330242-3761580-10 | Жгут системы управления двигателем | |
| 3 | 330242-3761580-10 | Жгут системы управления двигателем | |
| 4 | 560.3761601 | Жгут свечей запальных | |
| 5 | 11412 | Реле системы управления двигателем | |
| 6 | 12156 | Предохранитель системы управления двигателем | |
| 7 | 11345 | Предохранитель системы управления двигателем | |
| 8 | 2174425/2 | Датчик температуры воздуха системы управления двигателем С330242-3761204-10ДС) | |
| 9 | 2176814/2 | Блок управления | |
| 10 | 3105-3724527 | Поясок | |
| 11 | 3105-3724528 | Хомут | |
| 12 | 3302-3724076-10 | Провод "массы" реле стартера | |
| 13 | 330242-3724015 | Жгут 1 (вх. в 2705-3724103-122) | |
| 14 | 330242-3724050 | Провод 50 от АБ к стартеру | |
| 15 | 330242-3724107 | Провод стартера | |
| 16 | 330242-3724144 | Провод от АБ к блоку предохранителей | |
| 17 | 330242-3724376-10 | Провод от выключателя батареи на "массу" | |
| 18 | 330242-3724551-10 | Провод от кронштейна стартера на "массу" | |
| 19 | 330242-3761068 | Накладка | |
| 20 | 330242-3761190-20 | Кронштейн | |
| 21 | 330242-3761580-10 | Жгут системы управления двигателем | |
| 22 | 3493773/0 | Реле системы управления двигателем | |
| 23 | 35.3722 | Предохранитель (5А) | |
| 24 | 35.3722-02 | Предохранитель системы управления двигателем | |
| 25 | 51-3724093 | Скоба крепления пучка проводов | |
| 26 | 562.3761217 | Держатель | |
| 27 | 5903-3724720 | Прокладка | |
| 28 | 66-3724250 | Прокладка уплотнительная | |
| 29 | 711.3747-02 | Реле стартера (711.3747000-02) | |
| 30 | А-14552 | Втулка | |
| 31 | М-14586 | Скоба | |

