- Модель: ЯМЗ-650.10 (Евро 3-4)
- Цены и наличие уточняйте по телефонам
- +375 (29) 655-44-22
- +375 (29) 624-09-45
| № | Номер детали | Наименование детали | |
|---|---|---|---|
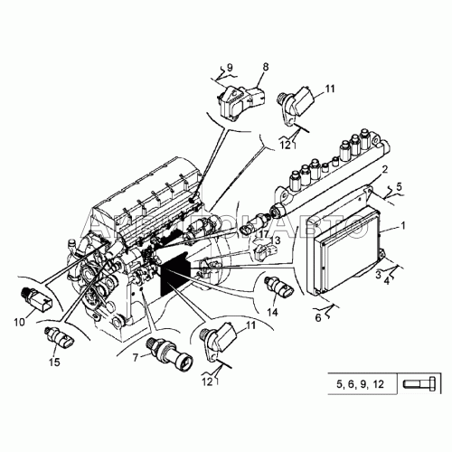
| 1 | 650.3763010 | Электронный блок управления EDC-7 | |
| 2 | 650.3763106 | Проставка электронного блока управления | |
| 3 | 310464 | Шпилька | |
| 4 | 311437 | Гайка самоконтрящаяся с шайбой в сборе М6х1 | |
| 5 | 310022 | Болт с подголовником М8х1,25-25 8.8 | |
| 6 | 310101 | Болт с подголовником М8х1,25-20 8.8 | |
| 7 | 650.1130552 | Датчик давления масла | |
| 8 | 650.1130548 | Датчик температуры и давления воздуха во впускном коллекторе |
Датчик температуры и давления воздуха во впускном коллекторе
|
| 8 | 651.1130548 | Датчик температуры и давления воздуха во впускном коллекторе |
Датчик температуры и давления воздуха во впускном коллекторе
|
| 9 | 310102-П29 | Винт М6х20-8.8-А3L DIN EN ISO 4762 | |
| 10 | 650.1130556 | Датчик температуры охлаждающей жидкости |
Датчик температуры охлаждающей жидкости
|
| 11 | 650.1130544 | Датчик частоты вращения двигателя | |
| 12 | 310204 | Болт M6х1-16 8.8 | |
| 13 | 650.1130540 | Датчик давления в рампе |
Датчик давления в рампе
|
| 14 | 650.1111674 | Электромагнитный клапан-дозатор насоса топливного | |
| 15 | 651.1130564 | Датчик температуры воздуха |
Датчик температуры воздуха
|
| 17 | 310102 | Болт М6х1-20 8.8 | |

