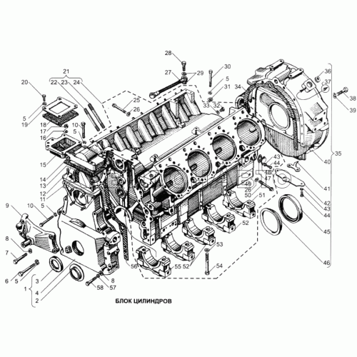
| № | Номер детали | Наименование детали | |
|---|---|---|---|
| 238Б-1002261 | Крышка шестерен распределения (для запасных частей) | ||
| 238Н-1002015-Д | Блок цилиндров | ||
| 7511.1002011-Д | Блок цилиндров в сборе | ||
| 7511.1002012-10 | Блок цилиндров в сборе (для запасных частей) | ||
| 7511.1002311 | Картер маховика в сборе (для запасных частей) | ||
| 1 | 238Б-1002260-Б | Крышка шестерен распределения в сборе | |
| 2 | 236-1002272 | Маслоотражатель крышки шестерен |
Маслоотражатель крышки шестерен
|
| 3 | 201-1005034-Б5 | Манжета в сборе | |
| 4 | 238Б-1002264-Б | Крышка шестерен распределения | |
| 5 | 252136-П29 | Шайба пружинная | |
| 6 | 200328-П29 | Болт |
Болт
|
| 7 | 200827-П29 | Болт | |
| 8 | 252016-П29 | Шайба | |
| 9 | 7511.1001020 | Кронштейн передней опоры | |
| 10 | 200325-П29 | Болт |
Болт
|
| 11 | 216344-П29 | Шпилька | |
| 12 | 216262-П29 | Шпилька | |
| 13 | 236-1002266-А2 | Прокладка крышки шестерен распределения правая | |
| 14 | 236-1002258-А3 | Прокладка верхней крышки блока |
Прокладка верхней крышки блока
|
| 15 | 236-1002255-Б4 | Крышка блока верхняя в сборе | |
| 16 | 312534-П2 | Шайба замковая | |
| 17 | 250513-П29 | Гайка | |
| 18 | 236-1002283-А | Прокладка с сеткой в сборе |
Прокладка с сеткой в сборе
|
| 19 | 236-1002282-Б | Заглушка | |
| 20 | 201499-П29 | Болт 10-6gх30 | |
| 21 | 7511.1002012 | Блок цилиндров в сборе (для запасных частей) | |
| 22 | 7511.1003016 | Шпилька крепления головки цилиндра М16х249 | |
| 23 | 7511.1003017 | Шпилька крепления головки цилиндра М16х209 | |
| 24 | 7511.1002011-Е | Блок цилиндров в сборе | |
| 25 | 236-1005180-А | Болт стяжной короткий | |
| 26 | 236-1005181 | Шайба | |
| 27 | 238БМ-1111620 | Трубка отвода масла от топливного насоса | |
| 28 | 310096-П29 | Болт | |
| 29 | 312326-П34 | Шайба уплотнительная | |
| 30 | 200463-П29 | Болт |
Болт
|
| 31 | 312515-П29 | Шайба |
Шайба
|
| 32 | 310219-П29 | Болт пробка М10-1-14 | |
| 33 | 312482-П34 | Шайба | |
| 34 | 236-1002314-Б | Прокладка картера маховика |
Прокладка картера маховика
|
| 35 | 7511.1002310 | Картер маховика в сборе | |
| 36 | 316162-П2 | Пробка | |
| 37 | 240-1002333 | Указатель установки угла опережения впрыскивания топлива | |
| 38 | 310044-П29 | Болт |
Болт
|
| 39 | 252137-П2 | Шайба пружинная |
Шайба пружинная
|
| 40 | 7511.1002312 | Картер маховика | |
| 41 | 236-1002333 | Указатель верхней мертвой точки поршня | |
| 42 | 236-1002318 | Крышка люка картера | |
| 43 | 252135-П2 | Шайба пружинная | |
| 44 | 201454-П29 | Болт М8х16 | |
| 45 | 236-1005160-А4 | Манжета в сборе | |
| 46 | 236-1002315 | Маслоотражатель |
Маслоотражатель
|
| 47 | 201-1306075-А | Прокладка | |
| 48 | 236-1002404 | Заглушка |
Заглушка
|
| 49 | 238Н-1002015-Е | Блок цилиндров | |
| 50 | 236-1005178-А | Болт стяжной длинный | |
| 51 | 236-1005152-Г | Крышка заднего подшипника коленчатого вала | |
| 52 | 238-1005156 | Крышка промежуточного подшипника коленчатого вала | |
| 53 | 312304-П | Шайба | |
| 54 | 236-1005159 | Болт крышки коренного подшипника |
Болт крышки коренного подшипника
|
| 55 | 236-1005140-В | Крышка переднего подшипника коленчатого вала | |
| 56 | 238АК-1002265 | Прокладка крышки шестерен распределения левая | |
| 57 | 252138-П2 | Шайба пружинная | |
| 58 | 200822-П29 | Болт |
Болт
|


