| № | Номер детали | Наименование детали | |
|---|---|---|---|
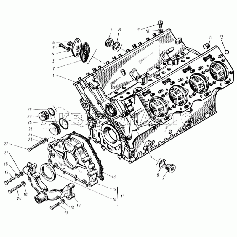
| 1 | 842.1002012 | Блок цилиндров в сборе | |
| 2 | 23 6101 1296 | Прокладка | |
| 3 | 841.1002084 | Крышка водяной полости | |
| 4 | 252135-П2 | Шайба пружинная | |
| 5 | 201456-П29 | Болт М8-6gх20 | |
| 6 | 45 9931 1202 | Пробка | |
| 7 | 316106-П2 | Пробка | |
| 8 | 312326-П | Шайба 14 | |
| 9 | 316107-П2 | Пробка | |
| 10 | 312630-П | Шайба | |
| 11 | 45 9931 1103 | Пробка | |
| 12 | 015-019-25-2-5 | Кольцо | |
| 13 | 841.1003365 | Прокладка | |
| 14 | 841.1002260 | Крышка передняя в сборе | |
| 15 | 840.1005034 | Манжета передняя в сборе | |
| 16 | 840.1005034 | Манжета передняя в сборе | |
| 17 | 841.1001017 | Кронштейн передней опоры | |
| 18 | 252138-П2 | Шайба пружинная | |
| 19 | 45 9318 1168 | Болт | |
| 20 | 45 9318 1172 | Болт | |
| 21 | 252016-П29 | Шайба | |
| 22 | 200460-П29 | Болт | |
| 23 | 252136-П2 | Шайба 10 пружинная |
Шайба 10 пружинная
|
| 24 | 252006-П29 | Шайба плоская |
Шайба плоская
|
| 25 | 840.1002524 | Заглушка отверстия распределительного вала | |
| 26 | 075-08025-2-1 | Кольцо | |
| 27 | 841.1002025 | Заглушка | |
| 28 | 023-027-25-2-1 | Кольцо | |

