Личный кабинет
Регистрация
Авторизация
Закладки (0)
Корзина
Оформление заказа
Пн-Чт: с 08:00 до 17:00 <br> Пт: с 08:00 до 16:00
+375 (29) 655-44-22
+375 (29) 624-09-45
Категории
Каталог
ГАЗ
МАЗ
ЗИЛ
Товары народного потребления
Запасные части
ПАЗ
Схемы
Показать все
О нас
Оплата
Доставка
Контакты
Д-242
Д-242
Сравнение товаров (0)
По умолчанию
Название (А - Я)
Название (Я - А)
Цена (низкая > высокая)
Цена (высокая > низкая)
Рейтинг (начиная с высокого)
Рейтинг (начиная с низкого)
Модель (А - Я)
Модель (Я - А)
15
25
50
75
100
Термостат
Топливные трубопроводы и установка топливной аппаратуры
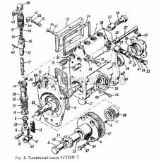
Топливный насос 4УТНМ-Т
Установка насоса рулевого управления
Фильтр топливный грубой очистки
Фильтр топливный тонкой очистки
Фильтр-отстойник
Форсунка ФД-22М
Центробежный масляный фильтр
|<
<
1
2
Показано с 16 по 24 из 24 (всего 2 страниц)