Личный кабинет
Регистрация
Авторизация
Закладки (0)
Корзина
Оформление заказа
Пн-Чт: с 08:00 до 17:00 <br> Пт: с 08:00 до 16:00
+375 (29) 655-44-22
+375 (29) 624-09-45
Категории
Каталог
ГАЗ
МАЗ
ЗИЛ
Товары народного потребления
Запасные части
ПАЗ
Схемы
Показать все
О нас
Оплата
Доставка
Контакты
Схемы
Схемы
Выберите подкатегорию
Грузовые автомобили
Двигатели
Сравнение товаров (0)
По умолчанию
Название (А - Я)
Название (Я - А)
Цена (низкая > высокая)
Цена (высокая > низкая)
Рейтинг (начиная с высокого)
Рейтинг (начиная с низкого)
Модель (А - Я)
Модель (Я - А)
15
25
50
75
100
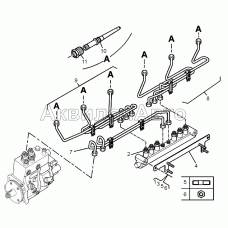
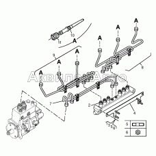
Топливные трубопроводы
Топливные трубопроводы
Топливные трубопроводы
Топливные трубопроводы
Топливные трубопроводы
Топливные трубопроводы
Топливные трубопроводы высокого давления
Топливные трубопроводы высокого давления
Топливные трубопроводы высокого давления
Топливные трубопроводы двигателей с индивидуальными головками цилиндров
Топливные трубопроводы двигателей ЯМЗ-238 и ЯМЗ-238НБ
Топливные трубопроводы двигателей ЯМЗ-240М2 и ЯМЗ-240БМ2-1
Топливные трубопроводы двигателя ЯМЗ-236
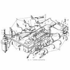
Топливные трубопроводы и установка топливной аппаратуры
Топливные трубопроводы и установка топливной аппаратуры
|<
<
254
255
256
257
258
259
260
261
262
>
>|
Показано с 3856 по 3870 из 5417 (всего 362 страниц)