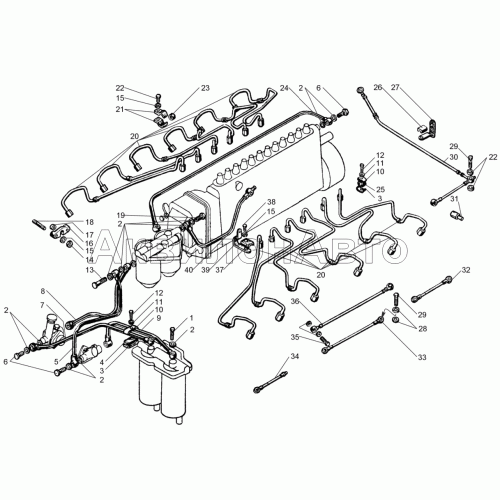
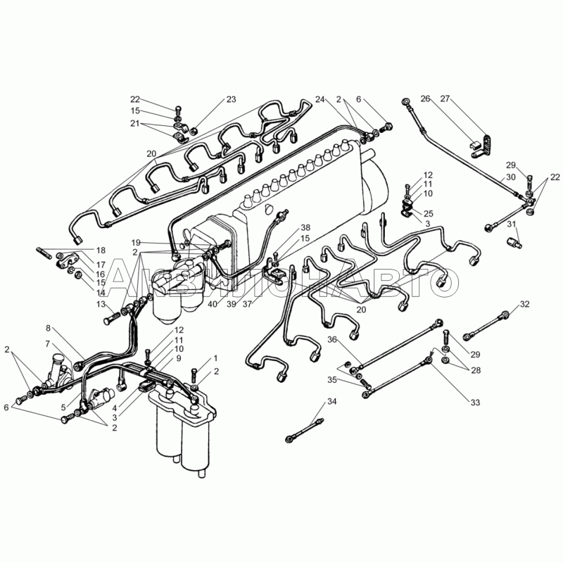
| № | Номер детали | Наименование детали | |
|---|---|---|---|
| 25 3111 2013 | Кольцо 005-008-19-2-1 | ||
| 1 | 310260-П2 | Болт | |
| 2 | 3123264134 | Шайба | |
| 3 | 240-1104459 | Скоба | |
| 4 | 240-1104442 | Прокладка | |
| 5 | 240-1104450 | Трубка топливная отводящая топливного насоса | |
| 6 | 310096-П2 | Болт специальный М14х1,5х30 | |
| 7 | 240-1104436 | Трубка топливная отводящая фильтра грубой очистки | |
| 8 | 240-1104422-А | Трубка топливная отводящая топливного насоса | |
| 9 | 240-1104410-А | Трубка топливная отводящая фильтра грубой очистки | |
| 10 | 240-1104458 | Скоба крепления воздухопроводов | |
| 11 | 252134-П2 | Шайба пружинная | |
| 12 | 201422-П29 | Болт М6х25 | |
| 13 | 240-1104433 | Болт крепления топливной трубки | |
| 14 | 250511-П29 | Гайка | |
| 15 | 252135-П2 | Шайба пружинная | |
| 16 | 240-1104345-Б | Фланец | |
| 17 | 240-1104344-А | Уплотнитель | |
| 18 | 310460-П29 | Шпилька | |
| 19 | 310225-П29 | Болт |
Болт
|
| 20 | 240-1104306 | Трубка топливная высокого давления в сборе | |
| 20 | 240-1104308-В | Трубка топливная высокого давления в сборе | |
| 21 | 240-1104440-Б | Колодка крепления топливной трубки | |
| 22 | 201460-П29 | Болт М8х30 | |
| 23 | 240-1104336-Б | Втулка | |
| 24 | 240Н-1104384 | Трубка топливная отводящая от фильтра тонкой очистки | |
| 25 | 240-1104350 | Прокладка | |
| 26 | 240-1104337-Б | Прокладка | |
| 27 | 315355-П29 | Кляммер | |
| 28 | 312482-П34 | Шайба | |
| 29 | 310239-П29 | Болт |
Болт
|
| 30 | 240-1104346-Б2 | Трубка топливная отводящая в сборе | |
| 31 | 240-1104359 | Ввертыш | |
| 32 | 240-1104376 | Трубка топливная отводящая от головок цилиндров | |
| 33 | 240-1104390-Б | Трубка | |
| 34 | 240-1104370-Б | Трубка топливная дренажная форсунки | |
| 35 | 310122-П2 | Болт М10х1х22 |
Болт М10х1х22
|
| 36 | 240-1111614 | Трубка | |
| 37 | 236-1104442-Б | Прокладка | |
| 38 | 201454-П29 | Болт М8х16 | |
| 39 | 315485-П29 | Кляммер | |
| 40 | 240Н-1104426 | Трубка топливная подводящая | |

